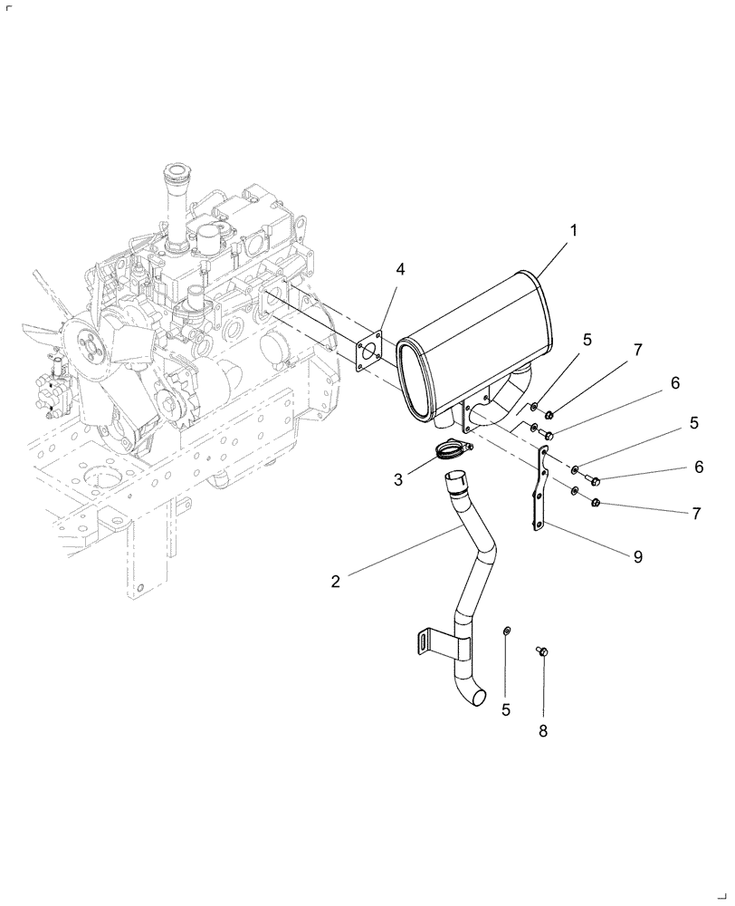
Запчасти Case IH FARMALL 50 (02.08) - EXHAUST SYSTEM (02) - ENGINE EQUIPMENT

Схема запчастей Case IH FARMALL 50 - (02.08) - EXHAUST SYSTEM (02) - ENGINE EQUIPMENT
9
6
6
5
4
8
5
2
1
3
5
7
7
FIT
1:1
100%

Артикул

Название

Примечание

Количество

1

87722951

MUFFLER

1шт.

2

87304324

EXHAUST SYSTEM PIPE

Tail

1шт.

3

86558966

CLAMP

1шт.

4

SBA314990013

GASKET

1шт.

5

322358

BELLEVILLE WASHER,M8 Bolt Size x 18mm OD x 1.4mm Thk

5шт.

6

9671714

FLANGE BOLT,Hex, M8 x 1.25 x 25mm, Cl 8.8

2шт.

7

9804277

FLANGE NUT,Hex, M8 x 1.25, Cl 8

2шт.

8

86511841

BOLT,Flng, M8 x 1.25 x 16mm, Full Thd, Cl 8.8

1шт.

9

86400048

BRACKET

Guard

1шт.

Выбрано товаров: 9