Запчасти Case IH FARMALL 50 (03.10) - FWD & MID PTO ENGAGEMENT (03) - TRANSMISSION

Схема запчастей Case IH FARMALL 50 - (03.10) - FWD & MID PTO ENGAGEMENT (03) - TRANSMISSION
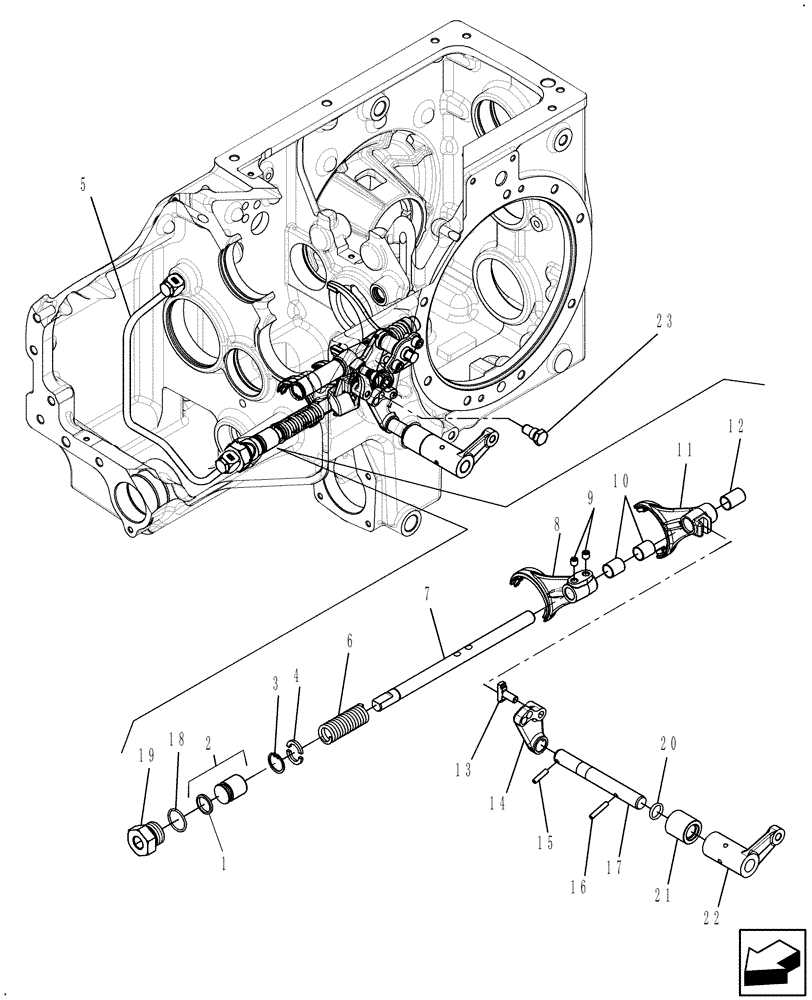
10
3
8
22
7
4
9
19
5
21
11
1
23
16
6
2
15
14
13
18
17
20
12
FIT
1:1
100%

Артикул

Название

Примечание

Количество

1

87481403

O-RING,18.72MM ID x 2.62MM Width

Seal, 2.62x18.72

1шт.

2

GRT3VT01413

PISTON

FWD PISTON

1шт.

3

GRT72690

RING

Retaining

1шт.

4

GRT3495373

PISTON RING

FWD End Stop Spacer

2шт.

5

GRT3474303

PIPE

FWD Coupling Inlet

1шт.

6

GRT3469653

SPRING

FWD Piston Return

1шт.

7

GRT3495363

SHAFT

FWD MID PTO FORK SHIFTING ROD

1шт.

8

87481381

FORK

FWD ENGAGEMENT

1шт.

9

GRT72389

SCREW

M8X10 CL 10.9

2шт.

10

GRT3474343

BUSHING

15X17X20

2шт.

11

87481382

FORK

MID PTO ENGAGEMENT

1шт.

12

GRT3347943

BUSHING

15X17X25

1шт.

13

GRT3346883

PIN

PTO Lever Sliding

1шт.

14

GRT3346593

LEVER

PTO

1шт.

15

87481396

PIN

Spring Split

1шт.

16

87481391

PIN

Spring Split

1шт.

17

GRT3484303

ROD

MID PTO Engagement Lever

1шт.

18

GRT3474503

OIL SEAL

O-RING SEAL 19.4X2.1

1шт.

19

GRT3474213

REDUCER

FWD Piston

1шт.

20

87481386

O-RING,15.54MM ID x 2.62MM Width

Seal, 2.62x15.54

1шт.

21

GRT3484313

SPACER

MID PTO LEVER SPACER

1шт.

22

87481376

LEVER

PTO External

1шт.

23

GRT3307623

DETENT

4WD COUPLING INLET PIPE

1шт.

Выбрано товаров: 23