Запчасти Case IH FARMALL 50 (03.52) - HPL LINKAGE (03) - TRANSMISSION

Схема запчастей Case IH FARMALL 50 - (03.52) - HPL LINKAGE (03) - TRANSMISSION
4
8
14
1
7
6
6
3
15
7
1
9
11
5
2
10
13
FIT
1:1
100%

Артикул

Название

Примечание

Количество

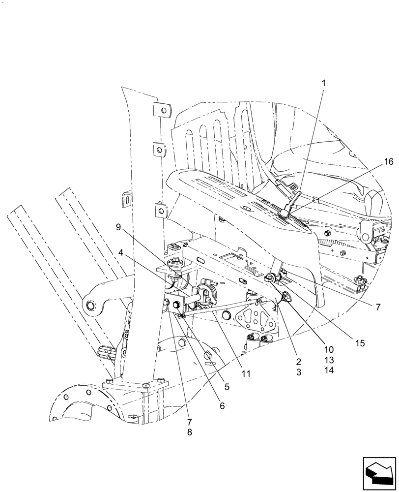
1

84171311

LEVER

HPL

1шт.

2

200731

CLEVIS PIN,7.9mm OD x 26.72mm L

1шт.

3

280250

COTTER PIN,3/32" OD x 3/4" L

2шт.

4

84140475

SHAFT

HPL Control

1шт.

5

86558960

BUSHING,Hat, 15.8mm ID x 19.05mm OD x 25.4mm OD x 12.7mm W

1шт.

6

87387717

PLATE

HPL Shaft Support

1шт.

7

9804258

BOLT,Hex, M8 x 1.25 x 20mm, Cl 8.8

2шт.

8

9804277

FLANGE NUT,Hex, M8 x 1.25, Cl 8

2шт.

9

87584240

CLAMP

Clamp, HPL Shaft

1шт.

10

86511842

BOLT,M8 x 1.25 x 48.1mm OAL, Cl 8.8

1шт.

11

87748332

ROD

3 PT

1шт.

13

86558407

SHAFT

3 PT

1шт.

14

1826919

SNAP RING

1шт.

15

86511326

WASHER,17mm ID x 30mm OD x 3mm Thk

2шт.

16

84200942

PLASTIC-RUBBER TUBE,19.05 mm ID x 19.88 mm OD x 75 mm L

Heat Shrink

1шт.

17

86403808

KNOB

HPL Lever

1шт.

Not Illustrated

1шт.

Выбрано товаров: 17