Запчасти Case IH FARMALL 50B (55.418.01) - METER PANEL - 16X16 (55) - ELECTRICAL SYSTEMS

Схема запчастей Case IH FARMALL 50B - (55.418.01) - METER PANEL - 16X16 (55) - ELECTRICAL SYSTEMS
23
6
3
12
16
14
21
24
26
23
20
25
9
14
25
28
2
24
7
30
10
17
11
22
8
29
18
19
13
15
27
5
24
home
1
4
FIT
1:1
100%

Артикул

Название

Примечание

Количество

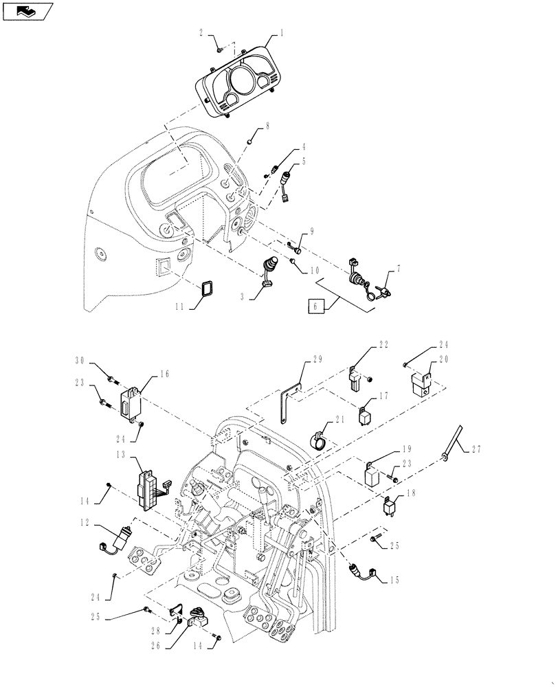
1

MT40007003

INSTRUMENT CLUSTER

Mech

1шт.

2

MT40029025

SCREW,M4 x 1.41 x 16mm L

M4 x 1.41 x 16L

6шт.

3

MT40194373

SWITCH

Combination

1шт.

4

MT40007065

MFD SWITCH

Horn

1шт.

5

MT40185307

SWITCH

PTO Select

1шт.

6

MT40007119

IGNITION SWITCH

12V/30A/50A

1шт.

7

MT40012655

KEY

Start

1шт.

8

MT40012843

CAP

OD8 x 2T

1шт.

9

MT40036273

MFD SWITCH

Differential Lock

1шт.

10

MT40007355

CAP

Rubber D12.5 x 4T

1шт.

11

MT40007452

GROMMET

Switch Hole

1шт.

12

MT40007187

SWITCH,12V, 20A

Clutch Pedal Safety

1шт.

13

MT40235425

FUSE BOX

1шт.

14

MT40028998

BOLT,M6 x 1 x 16mm L

Hex, W/Washer M6 x 1 x 16L

3шт.

15

MT40012887

MFD SWITCH,12V, 5A

12V/5A

2шт.

16

MT40230107

RELAY

1шт.

17

MT40007175

RELAY

Starter 12V/20A

1шт.

18

MT40007122

RELAY,12V/40A/30A

Engine Stop 12V/40A/30A

1шт.

19

MT40234130

RELAY

Head Lamp

1шт.

20

MT40196911

FLASHER UNIT

ASAE

1шт.

21

MT40229786

ALARM,Buzzer

Park Brake

1шт.

22

MT40007191

RELAY,12V, 70A

Glow 12V/70A

1шт.

23

MT40029001

BOLT,M6 x 1.0 x 25mm

Hex W/Washer M6 x 1 x 25L

4шт.

24

MT40029067

NUT,M6 x 1

Flange M6 x 1

6шт.

25

MT40028973

BOLT,Hex, M8 x 1.25 x 25mm

Hex, W/Washer M8 x 1.25 x 25L

3шт.

26

MT40229995

SWITCH

Shuttle Lever

1шт.

27

MT40012733

CLAMP,10mm W x 140mm L

10w X 140L

2шт.

28

MT40261119

BRACKET

Shuttle Switch

1шт.

29

MT40233530

BRACKET

Controller

1шт.

30

MT40029002

BOLT

Hex W/Washer M6 x 1 x 30L

1шт.

Выбрано товаров: 30