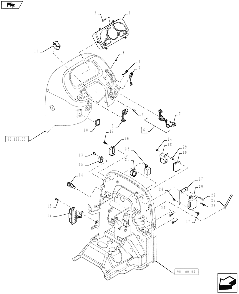
Запчасти Case IH FARMALL 50B (55.418.02) - METER PANEL - HST (55) - ELECTRICAL SYSTEMS

Схема запчастей Case IH FARMALL 50B - (55.418.02) - METER PANEL - HST (55) - ELECTRICAL SYSTEMS
90.100.03
10
1
7
2
13
14
4
19
25
6
18
28
5
12
15
21
26
11
9
24
8
home
17
13
17
27
22
20
24
3
23
16
29
90.100.05
FIT
1:1
100%

Артикул

Название

Примечание

Количество

1

MT40007003

INSTRUMENT CLUSTER

Mech

1шт.

2

MT40029025

SCREW,M4 x 1.41 x 16mm L

M4 x 1.41 x 16L

6шт.

3

MT40194373

SWITCH

1шт.

4

MT40234126

SWITCH

Horn

1шт.

5

MT40185307

SWITCH

PTO Select

1шт.

6

MT40007119

IGNITION SWITCH

12V/30A/50A Includes: Ref. 7

1шт.

7

MT40012655

KEY

Key

1шт.

8

MT40012843

CAP

OD9 x 2T

1шт.

9

MT40007355

CAP

Rubber D12.5 x 4T

1шт.

10

MT40007452

GROMMET

Switch HOle

1шт.

11

MT40050179

CRUISE ON/OFF SWITCH

Cruise

1шт.

12

MT40235425

FUSE BOX

1шт.

13

MT40028988

BOLT,M100 x 1.25 x 35mm L

3шт.

14

MT40012887

MFD SWITCH,12V, 5A

12V/5A

2шт.

15

MT40007122

RELAY,12V/40A/30A

Engine Stop 12V/40A/30A

1шт.

16

MT40007175

RELAY

Starter 12V/20A

1шт.

17

MT40029001

BOLT,M6 x 1.0 x 25mm

Hex W/Washer M6 x 1 x 25L

2шт.

18

MT40007191

RELAY,12V, 70A

Glow 12V/70A

1шт.

19

MT40196911

FLASHER UNIT

ASAE

1шт.

20

MT40230107

RELAY

1шт.

21

MT40229786

ALARM,Buzzer

Park Brake

1шт.

22

MT40234130

RELAY

Twin

1шт.

23

MT40036250

BOLT,M6 x 1 x 35mm L

Hex W/Washer M6 x 35

1шт.

24

MT40029067

NUT,M6 x 1

5шт.

25

MT40028973

BOLT,Hex, M8 x 1.25 x 25mm

1шт.

26

MT40012733

CLAMP,10mm W x 140mm L

10w X 140L

2шт.

27

MT40233530

BRACKET

Controller

1шт.

28

MT40081285

BOLT

Hex M6 x 55L

1шт.

29

MT40202536

SPACER,10mm OD x 7.6mm ID x 30mm L

Relay OD10.5 x ID7.6 x 30L

1шт.

Выбрано товаров: 29