Запчасти Case IH FARMALL 50B (10.102.02) - OIL PAN (10) - ENGINE

Схема запчастей Case IH FARMALL 50B - (10.102.02) - OIL PAN (10) - ENGINE
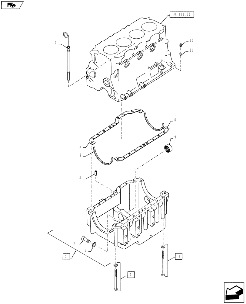
12
1
6
4
7
10
home
13
5
11
3
2
8
9
10.001.02
FIT
1:1
100%

Артикул

Название

Примечание

Количество

1

MT40012780

GASKET,14mm ID, 1mm Thk

ID14 x 1T

2шт.

2

MT40012908

PLUG,M14 x 1.5

Drain, M14 x 1.5

2шт.

3

MT20102808

ENGINE OIL PAN

1шт.

4

MT40007387

SEAL

2шт.

5

MT40006842

GASKET,0.60mm Thk

Oil Pan, 0.6T

1шт.

6

MT40006843

GASKET,0.60mm Thk

Oil Pan, 0.6T

1шт.

7

MT40009552

BOLT,Hex, M8 x 1.25 x 104mm

Hex, M8 x 1.25 x 104

18шт.

8

MT40012840

DOWEL,8mm OD x 18mm L

Dowel, OD8 x 18L

2шт.

9

MT40007977

NEEDLE BEARING

2шт.

10

MT40012063

DIPSTICK

Oil Level

1шт.

11

MT40012803

O-RING,10.80mm ID x 15.60mm OD x 2.40mm

OD15.6 x ID10.8 x 2.4T

1шт.

12

MT40009638

PLUG

OD16 x 25L

1шт.

13

MT40009555

BOLT,Hex, M8 x 1.25 x 155mm

Hex, M8 x 1.25 x 155

2шт.

Выбрано товаров: 13