Запчасти Case IH FARMALL 50B (10.414.01) - COOLING SYSTEM (10) - ENGINE

Схема запчастей Case IH FARMALL 50B - (10.414.01) - COOLING SYSTEM (10) - ENGINE
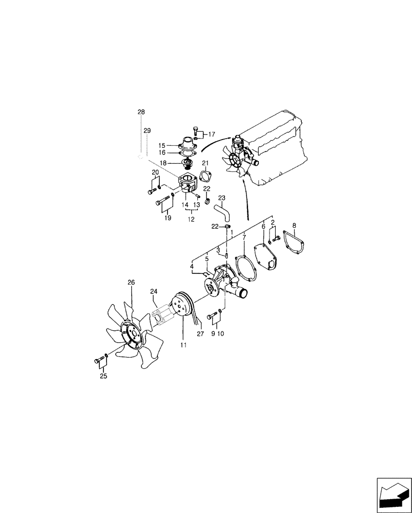
13
21
1
5
22
8
10
23
11
20
27
26
24
25
22
17
19
9
7
14
12
15
28
29
2
3
18
6
16
FIT
1:1
100%

Артикул

Название

Примечание

Количество

1

MT40006953

WATER PUMP

Includes: 2-7

1шт.

2

MT40028921

BOLT,Hex, M8 x 1.25 x 20mm

Hex W/Washer, M8 x P1.25 x 20L

1шт.

3

NSS

NOT SOLD SEPARAT

Pipe, Water Pump, OD11 x 1T

1шт.

4

MT40012048

WIRE

WIRE Clip

1шт.

5

NSS

NOT SOLD SEPARAT

Case, Water Pump

1шт.

6

MT40011344

COVER

Water Pump

1шт.

7

MT40006867

GASKET,1mm Thk

Water Pump, 1T

1шт.

8

MT40006868

GASKET,1mm Thk

W/Pump Cover, 1T

1шт.

9

MT40028926

BOLT,Hex, M8 x 1.25 x 40mm, W/ Wshr

Hex W/Washer, M8 x P1.25 x 40L

3шт.

10

MT40028930

BOLT,Hex, M8 x 1.25 x 60mm

Hex W/Washer, M8 x P1.25 x 60L

1шт.

11

MT40009954

PULLEY

Pulley

1шт.

12

MT40006983

HOUSING

Case Assy Includes: 13-14

1шт.

13

NSS

NOT SOLD SEPARAT

Pipe, Water Pump, OD11 x 1T

1шт.

14

NSS

NOT SOLD SEPARAT

Case, Thermostat

1шт.

15

MT40009953

COVER

Thermostat

1шт.

16

MT40006869

GASKET,1mm Thk

Thermostat, 1T

1шт.

17

MT40028923

BOLT,Hex, M8 x 1.25 x 25mm

Hex W/Washer, M8 x P1.25 x 25L

2шт.

18

MT40007663

THERMOSTAT

1шт.

19

MT40028932

BOLT,Hex, M8 x 1.25 x 75mm

Hex W/Washer, M8 x P1.25 x 75L

1шт.

20

MT40028923

BOLT,Hex, M8 x 1.25 x 25mm

Hex W/Washer, M8 x P1.25 x 25L

1шт.

21

MT40006911

GASKET,52mm ID, 1mm Thk

Thermostat Case, ID52 x 1T

1шт.

22

MT40029325

HOSE CLAMP,8mm Dia

Band, D18

2шт.

23

MT40007374

HOSE,9.50mm ID

By/Pass, ID9.5

1шт.

24

NSS

NOT SOLD SEPARAT

Fan Spacer

1шт.

25

MT40028931

BOLT,Hex, M8 x 1.25 x 65mm

Hex W/Washer M8 x 1.25 x 65L

4шт.

26

MT40008242

FAN

Cooling

1шт.

26

MT40233101

FAN

1шт.

27

MT40007487

BELT

Low Edge

1шт.

28

MT40012789

PLUG,M16 x 1.5

M16 x 1.5T

1шт.

29

MT40011806

GASKET,1.40mm Thk

Drain Plug, 1.4T

1шт.

Выбрано товаров: 30