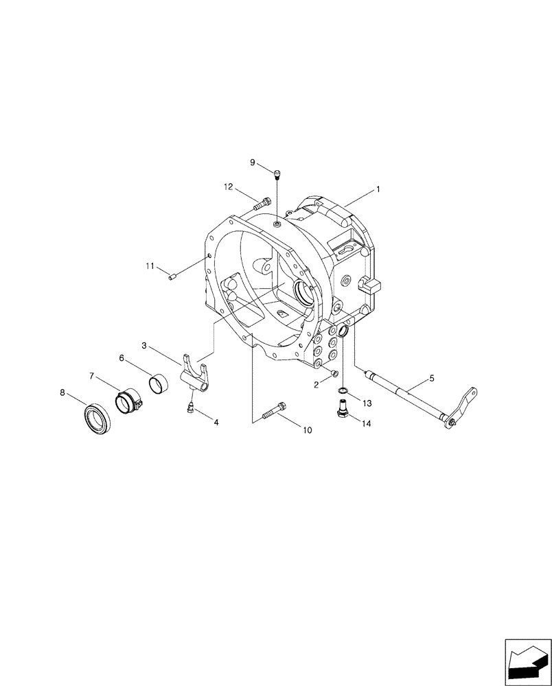
Запчасти Case IH FARMALL 50B (21.110.01) - CLUTCH HOUSING - 16X16 (21) - TRANSMISSION

Схема запчастей Case IH FARMALL 50B - (21.110.01) - CLUTCH HOUSING - 16X16 (21) - TRANSMISSION
6
13
12
10
8
3
5
4
9
14
11
7
2
1
FIT
1:1
100%

Артикул

Название

Примечание

Количество

1

MT20021405

HOUSING

Clutch

1шт.

2

MT40007322

PLUG,13mm L, Rubber

Rubber, 13.0L

8шт.

3

MT40010304

LEVER

Clutch Shift

1шт.

4

MT40010190

BOLT,M12 x 1.25

Locking, M12 x 1.25P

1шт.

5

MT40011611

SHAFT

Clutch Lever

1шт.

6

PL

PROCURE LOCALLY

Bushing, D50 x 2.5T

1шт.

7

MT40175295

HUB

Release Bearing

1шт.

8

MT40007839

BEARING,55mm ID x 87.60mm OD x 21.50mm

Release, OD87.6 x ID55 x 21.5L

1шт.

9

MT40009792

PLUG,9.50mm OD x 7.50mm L

Air Vent, OD 9.5 x 7.5L

1шт.

10

MT40028944

BOLT,Hex, M12 x 1.75 x 70mm

Hex, W/Washer, M12 x P1.75 x 70L

2шт.

11

MT40029102

PIN,M10 x 20mm L

D10 x 20L

2шт.

12

MT40028941

BOLT,M12 x 1.75 x 45mm

Hex, W/Washer, M12 x P1.75 x 45L

8шт.

13

MT40229916

SEAL,20mm ID x 26mm OD x 1.5mm L

Plug

1шт.

14

MT40229917

PLUG

Magnet

1шт.

Выбрано товаров: 14