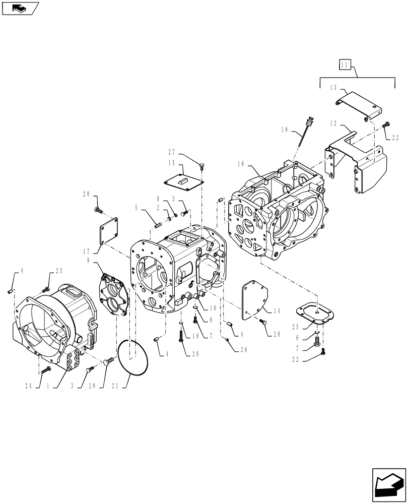
Запчасти Case IH FARMALL 50B (21.118.03) - TRANSMISSION CASE - HST (21) - TRANSMISSION

Схема запчастей Case IH FARMALL 50B - (21.118.03) - TRANSMISSION CASE - HST (21) - TRANSMISSION
14
12
26
28
11
22
4
28
21
7
28
16
3
19
23
22
24
17
9
25
20
27
15
6
10
7
8
1
home
5
3
4
6
4
2
18
13
FIT
1:1
100%

Артикул

Название

Примечание

Количество

1

MT20021320

HOUSING

HST

1шт.

2

MT40029551

WASHER,12.20mm ID x 21.50mm OD x 3mm Thk

Spring, OD 21.5 x ID 12.2 x 3T

4шт.

3

MT40028939

BOLT,Hex, M12 x 1.75 x 35mm

Hex, W/Washer M12 x 1.75 x 35L

16шт.

4

MT40029102

PIN,M10 x 20mm L

10 x 20

10шт.

5

MT40028903

BOLT,Stud, M12 x 1.75 x 35mm

Stud, M12 x 1.75 x 35L

4шт.

6

MT40229916

SEAL,20mm ID x 26mm OD x 1.5mm L

Plug

2шт.

7

MT40229917

PLUG

Magnet

2шт.

8

MT40028771

NUT,M12 x 1.75

Hex, M12 x 1.75

4шт.

9

MT40201499

COVER

HST Case

1шт.

10

MT20021319

CASE

Center

1шт.

11

MT40229678

SHIELD

PTO Includes: Rer. 12 & 13

1шт.

12

MT40230292

SHIELD

PTO

1шт.

13

MT40229681

COVER

PTO Shield

1шт.

14

MT40011498

COVER

Range

1шт.

15

MT40011299

COVER,4.5mm Thk

PTO Clutch

1шт.

16

MT20021322

CASE

Mid PTO Axle

1шт.

17

MT40011434

COVER

M/Shift Fork

1шт.

18

MT40182457

DIPSTICK

Oil

1шт.

19

MT40029196

O-RING,2.4mm Thk x 9.8mm ID

1шт.

20

MT40009523

PIN,M12 x 1.75

Lever Guide M12 x 1.75

1шт.

21

MT40029235

O-RING,5.7mm Thk x 194.3mm ID

194.3 x 5.7

1шт.

22

MT40028949

BOLT,Hex, M10 x 1.25 x 30mm

Hex W/Washer M10 x 1.25 x 30

4шт.

23

MT40028941

BOLT,M12 x 1.75 x 45mm

Hex W/Washer M12 x 1.75 x 45

8шт.

24

MT40028944

BOLT,Hex, M12 x 1.75 x 70mm

Hex W/Washer M12 x 1.75 x 70

2шт.

25

MT40009186

COVER

Mid PTO

1шт.

26

MT40012847

PLUG,3/8”

Taper 3/8

1шт.

27

MT40028947

BOLT,Hex, M10 x 1.25 x 20mm

Hex W/Washer M10 x 1.25 x 20L

4шт.

28

MT40028948

BOLT,Hex, M10 x 1.25 x 25mm

Hex W/Washer M10 x 1.25 x 25L

14шт.

29

MT40253589

PLUG,3/4"

Taper, 3/4"

1шт.

Выбрано товаров: 29