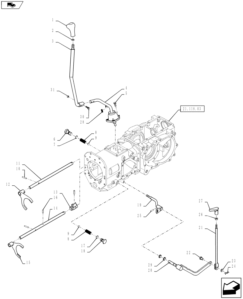
Запчасти Case IH FARMALL 50B (21.130.02) - RANGE SHIFT LEVER, 4WD LEVER & FORK - HST (21) - TRANSMISSION

Схема запчастей Case IH FARMALL 50B - (21.130.02) - RANGE SHIFT LEVER, 4WD LEVER & FORK - HST (21) - TRANSMISSION
22
15
home
31
30
20
12
27
19
29
17
5
24
1
25
11
10
16
14
8
21.118.03
8
28
2
7
9
26
3
4
6
23
13
18
21
9
FIT
1:1
100%

Артикул

Название

Примечание

Количество

1

MT40229197

KNOB

Main Shift, Orange, 1st - 2nd - N - 3rd

1шт.

2

MT40028726

NUT,Hex, M12 x 1.75

Hex, M12 x 1.75

1шт.

3

MT40011618

LEVER

Lever, Main Shift

1шт.

4

MT40013025

LEVER

Main

1шт.

5

MT40028923

BOLT,Hex, M8 x 1.25 x 25mm

Hex, W/Washer M8 x 1.25 x 2.5

3шт.

6

MT40009498

BOLT

Rail

2шт.

7

MT40029196

O-RING,2.4mm Thk x 9.8mm ID

2шт.

8

MT40011943

SPRING,7.2mm OD x 22mm L

3шт.

9

MT40010339

BALL

Shift Fork

3шт.

10

MT40029167

PIN,6mm OD x 25mm L

Spring

3шт.

11

MT40009077

RAIL ASSY.,16mm OD x 405mm L

Main Shift, 1-2 OD 16 x 405L

1шт.

12

MT40010308

FORK

Main Shift, 1-2

1шт.

13

MT40009850

ADAPTER

Main Shift, 3-4

1шт.

14

MT40220478

SHIFT RAIL

2-3

1шт.

15

MT40010309

FORK

Main Shift, 3-4

1шт.

16

MT40009848

PIN

1шт.

17

MT40029203

O-RING,2.40mm Thk x 14.8mm OD

D14.8 x w2.4

1шт.

18

MT40010268

BOLT

Forward/Reverse Shift

1шт.

19

MT40012614

LEVER

4WD

1шт.

20

MT40011703

ARM

4WD

1шт.

21

MT40011448

HANDLE

4WD

1шт.

22

MT40029108

HEADED PIN,M10 x 20mm

D10 x 20L

1шт.

23

MT40028158

WASHER,10.50mm ID x 18mm OD x 2mm Thk

OD18 x ID 10.5 x 2T

1шт.

24

MT40029132

HAIR PIN COTTER,M10

1шт.

25

MT40029172

PIN,6mm OD x 35mm L

Spring

1шт.

26

MT40029040

NUT,Hex, M8 x 1.25

Hex Small M8 x 1.25

1шт.

27

MT40008386

KNOB

FWD

1шт.

28

MT40012358

SPRING,9.20mm OD x 51mm L

D1.8 x D9.2 x 51L

1шт.

29

MT40029199

O-RING,2.40mm Thk x 11.80mm ID

D11.8 x W2.4

2шт.

30

MT40029167

PIN,6mm OD x 25mm L

Spring D6 x 25

2шт.

31

MT40012771

PIN,4mm OD x 35mm L

Spring D4 x 25

2шт.

Выбрано товаров: 31