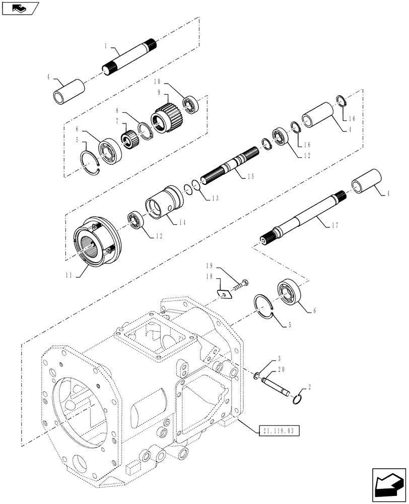
Запчасти Case IH FARMALL 50B (21.148.06) - PTO SHAFT - HST (21) - TRANSMISSION

Схема запчастей Case IH FARMALL 50B - (21.148.06) - PTO SHAFT - HST (21) - TRANSMISSION
13
6
15
19
4
4
17
7
20
18
2
14
16
16
11
8
21.118.03
5
5
12
3
home
6
10
4
1
12
9
FIT
1:1
100%

Артикул

Название

Примечание

Количество

1

MT40010291

COUNTERSHAFT,28mm OD x 187.3L

PTO OD28 x 187.3L

1шт.

2

MT40029238

O-RING,1.50mm Thk x 7.50mm ID

D7.5 x W1.5

1шт.

3

MT40029237

O-RING,1.50mm Thk x 6.50mm ID

D6.5 x W1.5

1шт.

1

MT40010121

HOLDER,80mm OD x 46mm ID x 18.5L

PTO Shaft Brg., OD80 x ID46 x 18.5L

1шт.

2

MT40012703

BALL BEARING

#62050

1шт.

3

MT40009099

SHAFT

PTO Main(I/PTO), OD35 x 548.8L

1шт.

4

MT40010218

JOINT,22.50mm ID x 35mm OD x 71mm

OD35 x ID22.5 x 71L

2шт.

5

MT40029299

SNAP RING,M62

D62

2шт.

6

MT40012715

BALL BEARING

#63050

2шт.

7

MT40009684

JOINT,22.50mm ID x 40mm OD x 21.50mm

Hyd Clutch Hub, OD40 x ID22.5 x 21.5L

1шт.

8

MT40029277

SNAP RING,M40

Snap, D40

1шт.

9

MT40010105

HUB,37.50mm ID x 59.667mm OD x 53mm

PTO Hyd. Clutch, OD59.66 x ID37.5 x 253L

1шт.

10

MT40012696

BALL BEARING

#60040

1шт.

11

MT40007683

PTO CLUTCH

PTO

1шт.

12

MT40012697

BALL BEARING

#60050

2шт.

13

MT40012098

SEALING RING

SEALRING OD25.14 x 2.5T

2шт.

14

MT40009133

SLEEVE,25.14mm ID x 62mm OD x 72.50mm

H/C Circuit, OD62 x ID25.14 x 72.5L

1шт.

15

MT40009348

SHAFT,24.75mm OD x 183.90mm L

I/PTO Clutch, OD24.75 x 183.9L

1шт.

16

MT40029271

SNAP RING,M25

D25

3шт.

17

MT40009259

SHAFT,25.14mm OD x 314.7L

PTO Rear, OD28 x 14.7L

1шт.

18

MT40011912

STOP DEVICE,5mm Thk

R/Idle Shaft, 5T

1шт.

19

MT40028947

BOLT,Hex, M10 x 1.25 x 20mm

Hex, W/Washer, M10 x P1.25 x 20L

1шт.

20

MT40010130

PIPE,3.50mm ID x 9.80mm OD x 89mm L

H/Clutch Input, OD9.8 x ID3.5 x 89L

1шт.

Выбрано товаров: 23