Запчасти Case IH FARMALL 50B (29.200.01) - HST (29) - HYDROSTATIC DRIVE

Схема запчастей Case IH FARMALL 50B - (29.200.01) - HST (29) - HYDROSTATIC DRIVE
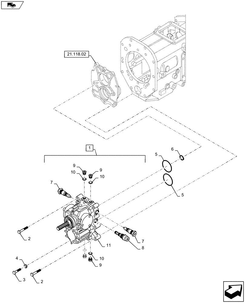
5
10
4
2
2
11
3
5
21.118.02
6
9
9
8
1
home
9
7
7
10
10
FIT
1:1
100%

Артикул

Название

Примечание

Количество

1

MT40257585

HYDROSTATIC PUMP

HST 28cc/ JEI PMC

1шт.

1

MT40257585R

REMAN-HYD MOTOR

FARMALL 40B, FARMALL 50B both (11/11-)

1шт.

1

MT40257585C

CORE-MOTOR HYDRAULIC

Return Number

1шт.

2

MT40028956

BOLT,Hex, M10 x 1.25 x 70mm

Hex W/Washer M10 x 1.25 x 70L

2шт.

3

MT40029465

BOLT,M10 x 1.25 x 50mm

Hex M10 x 1.25 x 50L

2шт.

4

MT40029549

WASHER,10.20mm ID x 18.40mm OD x 2.50mm Thk

Spring O.D. 18.4 x I.D. 10.2 x 2.5T

2шт.

5

MT40029255

O-RING,2mm Thk x 70mm ID

D70.5xW2

2шт.

6

MT40029271

SNAP RING,M25

D25

1шт.

7

MT40260169

VALVE

ID 17.8mm Thickness 2.4mm Used with HST Plug

2шт.

8

MT40266964

VALVE PRESSURE RELIE

1шт.

9

MT40260162

PLUG,3/8"

PF 3/8"

4шт.

10

MT40029201

O-RING,2.4mm Thk x 13.8mm ID

D13.2 x 2.4W

4шт.

11

NSS

NOT SOLD SEPARAT

HST Pump, Incl In 1

1шт.

Выбрано товаров: 13