Запчасти Case IH FARMALL 50B (33.120.02) - BRAKE PEDALS - 16X16 (33) - BRAKES & CONTROLS

Схема запчастей Case IH FARMALL 50B - (33.120.02) - BRAKE PEDALS - 16X16 (33) - BRAKES & CONTROLS
20
7
5
5
16
12
1
21
8
2
7
7
9
home
22
4
13
7
22
11
24
10
14
19
8
18
6
7
33.120.01
15
33.120.01
23
3
4
6
21
17
FIT
1:1
100%

Артикул

Название

Примечание

Количество

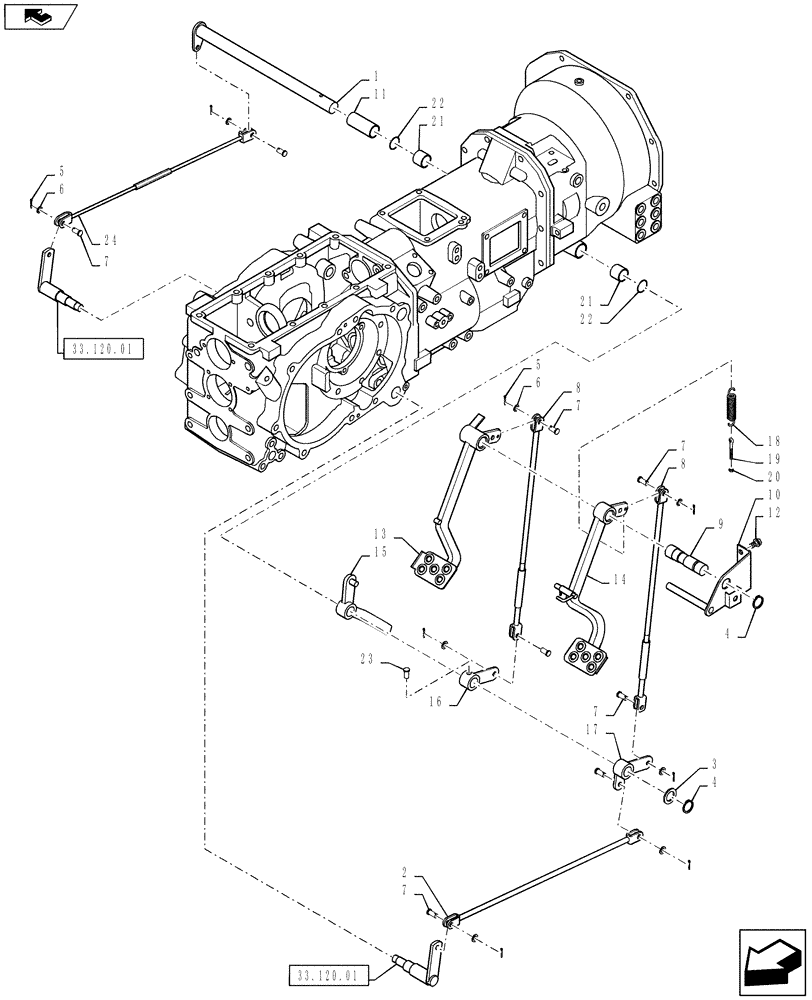
1

MT40011965

SHAFT,25mm OD x 469mm L

Brake Pedal D25.0 x 469 OL

1шт.

2

MT40011916

EXCHANGE CONROD

615 OL

1шт.

3

MT40028184

WASHER,25mm ID x 44mm OD x 4mm Thk

Plain OD44 x ID25 x 4T

1шт.

4

MT40029271

SNAP RING,M25

D25

2шт.

5

MT40029121

PIN,25mm OD x 20mm L

Split D25 x 20L

8шт.

6

MT40028171

WASHER,10.5mm ID x 21mm OD x 2mm Thk

Plain OD21 x ID10.5 x 2T

8шт.

7

MT40009617

PIN,10mm ID x 14mm OD x 26mm L

OD14.0 x ID10.0 x 26.0L

8шт.

8

MT40013058

ROD

Brake 604.0L

2шт.

9

MT40009481

SHAFT

Brake Pedal D26.0 x 138.5L

1шт.

10

MT40011331

STOP DEVICE

Brake Pedal

1шт.

11

MT40010069

SPACER,25mm ID x 45mm OD x 74mm L

OD45.0 x ID25.0 x 74.0L

1шт.

12

MT40029006

BOLT,Hex, M8 x 1.25 x 20mm

Hex W/Washer M8 x 1.25 x 20

2шт.

13

MT40010988

PEDAL

Brake, LH

1шт.

14

MT40010987

PEDAL

Brake, RH

1шт.

15

MT40012056

ARM

1шт.

16

MT40012055

ARM

Brake, LH

1шт.

17

MT40012404

ARM

Brake, RH

1шт.

18

MT40011959

SPRING,16mm x 2.30mm Dia x 80mm L

D2.3 X D16 X 80L

2шт.

19

MT40012132

BOLT,Adj, 8mm OD

Adjuster O.D. 8

2шт.

20

MT40012797

NUT,M8 x 1.25

Lock, M8 x 1.25

2шт.

21

MT40009874

BUSHING

2шт.

22

MT40029211

O-RING,3.50mm Thk x 24.70mm ID

D24.7 x W3.5

2шт.

23

MT40029179

PIN,Spring, M8 x 40mm L

Spring, D8 x 40L

1шт.

24

MT40013049

ROD

Brake 615.0L

1шт.

Выбрано товаров: 24