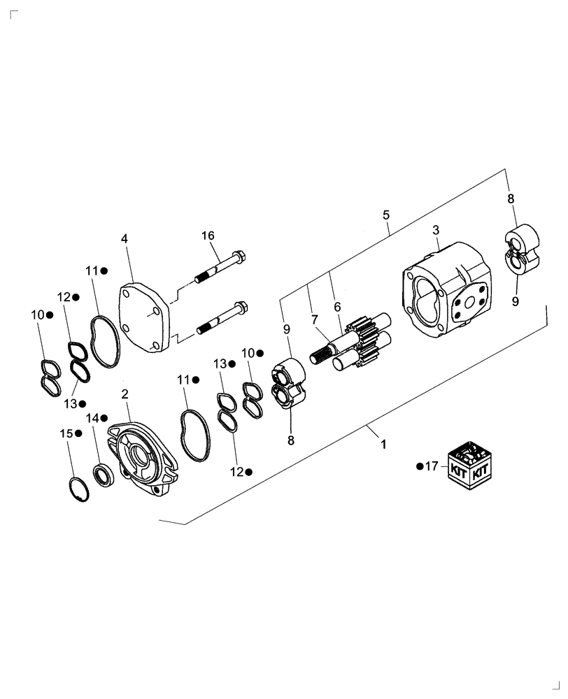
Запчасти Case IH FARMALL 50B (35.220.AG[02]) - HYDRAULIC OIL PUMP (35) - HYDRAULIC SYSTEMS

Схема запчастей Case IH FARMALL 50B - (35.220.AG[02]) - HYDRAULIC OIL PUMP (35) - HYDRAULIC SYSTEMS
9
12
17
9
3
13
2
11
15
12
6
1
11
5
10
7
10
14
16
13
8
4
8
FIT
1:1
100%

Артикул

Название

Примечание

Количество

1

SBA340450991

HYDRAULIC PUMP

Includes: Ref. 2-16

1шт.

SBA340450991R

REMAN-HYD PUMP

FARMALL 40B, FARMALL 45B, FARMALL 50B All CVT W/CAB-ON & ABOVE PIN # ZCME21001

1шт.

SBA340450991C

CORE-HYDRAULIC PUMP

Return Number

1шт.

2

SBA340293694

FLANGE

1шт.

3

NSS

NOT SOLD SEPARAT

BODY

1шт.

4

SBA340293674

COVER

1шт.

5

SBA340293678

KIT

Body, Includes: Ref. 6-9

1шт.

6

NSS

NOT SOLD SEPARAT

GEAR, DRIVE

1шт.

7

NSS

NOT SOLD SEPARAT

GEAR, DRIVEN

1шт.

8

NSS

NOT SOLD SEPARAT

BUSHING, R

2шт.

9

NSS

NOT SOLD SEPARAT

BUSHING, L

2шт.

10

SBA340293701

SEAL

Bushing

2шт.

11

SBA340293700

SEAL

Body

2шт.

12

SBA340293703

RING

Backing, R

2шт.

13

SBA340293705

RING

Backing, L

2шт.

14

SBA340293702

SEAL

Oil

1шт.

15

SBA036500034

SNAP RING

1шт.

16

SBA340293693

BOLT

4шт.

17

SBA340293698

SEAL KIT

Includes: Ref. 10-15

1шт.

Выбрано товаров: 19