Качественные детали и логистика
Оригинальные и аналоговые запчасти с доставкой по России, Казахстану и Беларуси
©2022 PartSell ООО "Система" ИНН 2463123282 ОГРН 1212400004838
Центральный офис: г. Красноярск, Академика Киренского, д.87, пом.4
Телефон: 8 (800) 777-65-74 Email: zakaz@partsell.ru
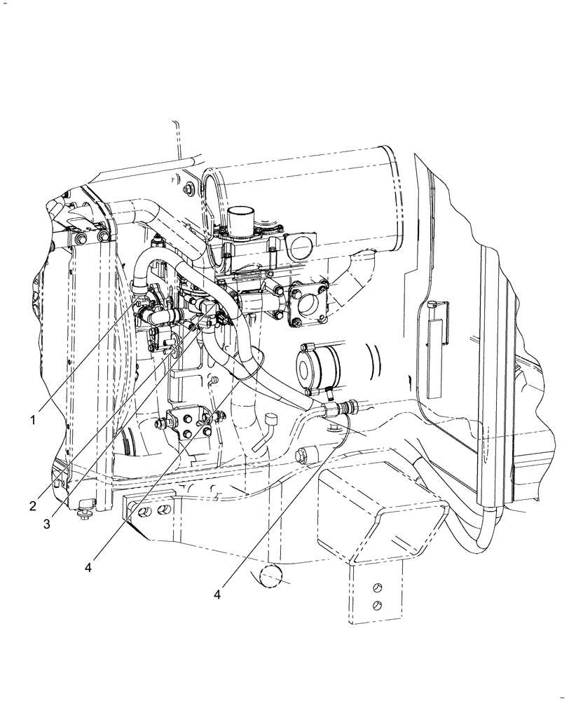
(50.200.BI[02]) - HEATER HOSE FITTINGS, CLAMPS,CABLE TIE
№
Артикул
Название
Примечание
Количество
1
642560
FITTING,5/8" Hose x 3/8" NPTF Beaded
1шт.
2
287644
FITTING,90 Degree, 5/8" Hose x 3/8" NPTF Beaded
3
58948
CLAMP
2шт.
4
263117
CABLE TIE,292.1mm L, Nylon, Black
3шт.
Выбрано товаров: 0