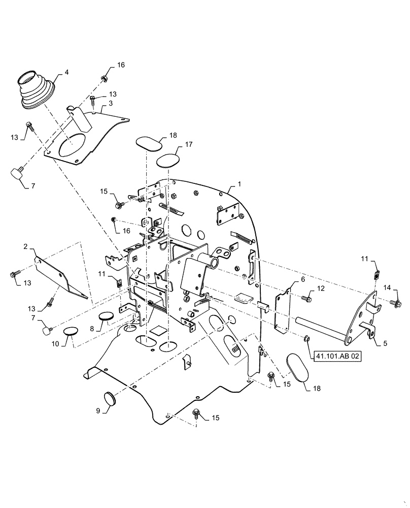
Запчасти Case IH FARMALL 50C (41.101.AU[01]) - PEDAL FRAME, HST, FARMALL 40C, 50C (41) - STEERING

Схема запчастей Case IH FARMALL 50C - (41.101.AU[01]) - PEDAL FRAME, HST, FARMALL 40C, 50C (41) - STEERING
41.101.ab 02
11
13
16
5
17
4
2
13
18
7
3
9
7
11
8
15
14
16
6
13
12
13
18
10
15
15
1
FIT
1:1
100%

Артикул

Название

Примечание

Количество

1

MT40254357

PEDAL

Frame, Cab

1шт.

2

MT40267359

COVER

Front

1шт.

3

MT40267360

COVER

Upper

1шт.

4

MT40267572

COVER

Dust, Steering

1шт.

5

MT40268234

STOP

Brake Pedal

1шт.

6

MT40268336

COVER

STR Hose

1шт.

7

MT40007478

RUBBER SLEEVE,M8 x 1.25 x 20mm L

1шт.

8

MT40007472

GROMMET,32mm OD x 2.5mm Thk

Clutch Rod

1шт.

9

MT40007409

GROMMET,23mm ID x 29mm OD x 3.5mm Thk

Dust

2шт.

10

MT40007363

GROMMET,38mm OD x 2.5mm Thk

Fwd - Rvs Shaft

1шт.

11

MT40012278

PLATE

Lock

7шт.

12

MT40028921

BOLT,Hex, M8 x 1.25 x 20mm

3шт.

13

MT40028966

BOLT,Hex, M6 x 1 x 20mm

8шт.

14

MT40029006

BOLT,Hex, M8 x 1.25 x 20mm

2шт.

15

MT40029008

BOLT,Hex, M8 x 1.25 x 25mm

14шт.

16

MT40029075

FLANGE NUT,Hex, M8 x 1.25

Flange

1шт.

17

MT40278915

COVER

Dummy, Creeper

1шт.

18

MT40278918

COVER

Dummy, AMT/Unit

2шт.

Выбрано товаров: 18