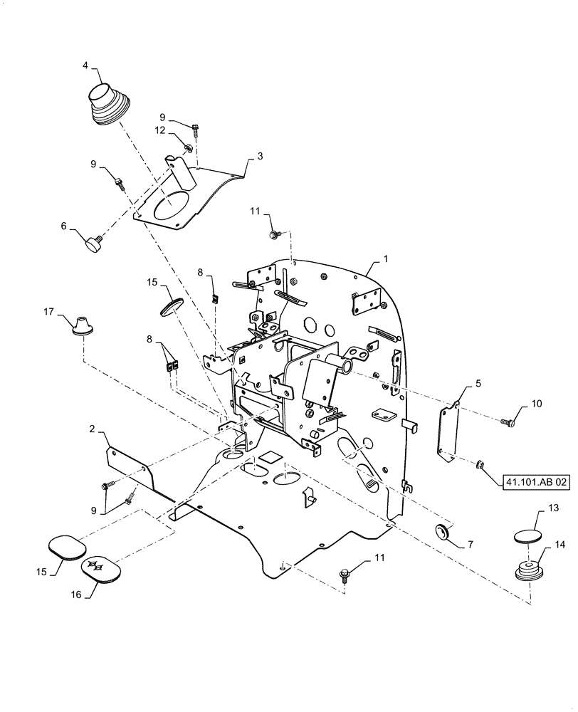
Запчасти Case IH FARMALL 50C (41.101.AU[02]) - PEDAL FRAME, FARMALL 40C, 50C (41) - STEERING

Схема запчастей Case IH FARMALL 50C - (41.101.AU[02]) - PEDAL FRAME, FARMALL 40C, 50C (41) - STEERING
41.101.ab 02
11
15
2
9
12
15
8
13
11
9
8
17
9
10
14
1
5
6
16
3
7
4
FIT
1:1
100%

Артикул

Название

Примечание

Количество

1

MT40254357

PEDAL

Frame

1шт.

2

MT40267359

COVER

Front

1шт.

3

MT40267360

COVER

Upper

1шт.

4

MT40267572

COVER

Dust

1шт.

5

MT40268336

COVER

Hose

1шт.

6

MT40007478

RUBBER SLEEVE,M8 x 1.25 x 20mm L

1шт.

7

MT40007409

GROMMET,23mm ID x 29mm OD x 3.5mm Thk

Dust

2шт.

8

MT40012278

PLATE

Lock

7шт.

9

MT40028966

BOLT,Hex, M6 x 1 x 20mm

8шт.

10

MT40028921

BOLT,Hex, M8 x 1.25 x 20mm

3шт.

11

MT40029008

BOLT,Hex, M8 x 1.25 x 25mm

14шт.

12

MT40029075

FLANGE NUT,Hex, M8 x 1.25

1шт.

13

MT40278915

COVER

Creeper

1шт.

14

MT40007356

RUBBER SLEEVE,12mm OD x 2.5mm Thk

1шт.

15

MT40278918

COVER

AMT/Unit

2шт.

16

MT40304370

COVER

1шт.

17

MT40278917

GROMMET

1шт.

Выбрано товаров: 17