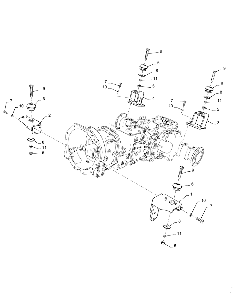
Запчасти Case IH FARMALL 50C (90.118.CD) - TRANSMISSION MOUNTING PARTS (90) - PLATFORM, CAB, BODYWORK AND DECALS

Схема запчастей Case IH FARMALL 50C - (90.118.CD) - TRANSMISSION MOUNTING PARTS (90) - PLATFORM, CAB, BODYWORK AND DECALS
1
10
9
6
6
8
9
9
7
11
10
11
10
3
7
9
8
6
5
5
7
4
8
11
5
7
8
6
11
2
10
5
FIT
1:1
100%

Артикул

Название

Примечание

Количество

1

MT40254942

MOUNT

1шт.

2

MT40254944

MOUNT

1шт.

3

MT40254947

MOUNT

1шт.

4

MT40254948

MOUNT

1шт.

5

MT40029035

NUT,Hex, M20 x 1.5

4шт.

6

MT40278344

MOUNT

4шт.

7

MT40029395

BOLT,Hex, M14 x 2 x 35mm

16шт.

8

MT40030751

WASHER

4шт.

9

MT40078390

BOLT,Hex, M20 x 1.5 x 100mm

4шт.

10

MT40029553

WASHER,14.20mm ID x 24.50mm OD x 3.50mm Thk

16шт.

11

MT40029558

WASHER,20.20mm ID x 33.80mm OD x 5.10mm

4шт.

Выбрано товаров: 11