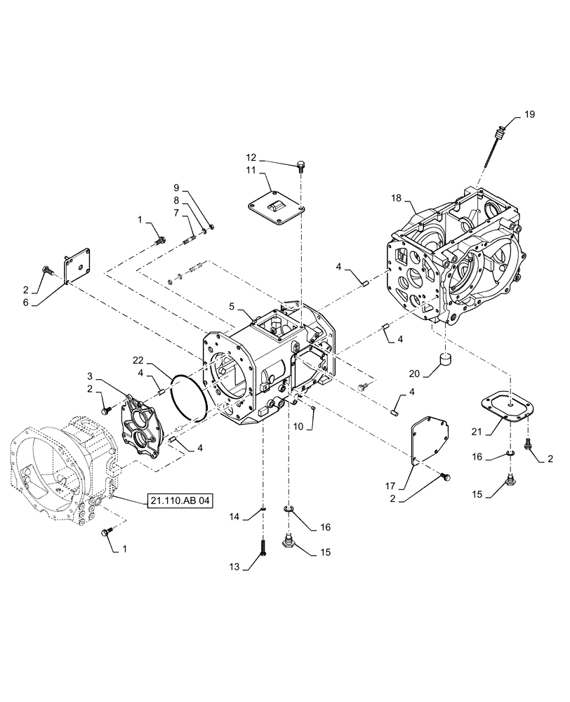
Запчасти Case IH FARMALL 50C (29.202.AJ[01]) - HYDROSTATIC TRANSMISSION, HOUSING, FARMALL 40C, 50C (29) - HYDROSTATIC DRIVE

Схема запчастей Case IH FARMALL 50C - (29.202.AJ[01]) - HYDROSTATIC TRANSMISSION, HOUSING, FARMALL 40C, 50C (29) - HYDROSTATIC DRIVE
21.110.ab 04
4
15
12
20
5
14
2
22
9
3
2
4
7
2
10
8
4
18
15
16
4
21
11
4
19
1
16
2
13
17
6
1
FIT
1:1
100%

Артикул

Название

Примечание

Количество

1

MT40028939

BOLT,Hex, M12 x 1.75 x 35mm

16шт.

2

MT40028948

BOLT,Hex, M10 x 1.25 x 25mm

20шт.

3

MT40201499

COVER

Center Case, HST

1шт.

4

MT40029102

PIN,M10 x 20mm L

8шт.

5

MT20021319

CASE

Center

1шт.

6

MT40011434

COVER

MDL Shift Fork

1шт.

7

MT40028903

BOLT,Stud, M12 x 1.75 x 35mm

4шт.

8

MT40029551

WASHER,12.20mm ID x 21.50mm OD x 3mm Thk

Spring

4шт.

9

MT40028771

NUT,M12 x 1.75

4шт.

10

MT40012847

PLUG,3/8”

Taper

1шт.

11

MT40011299

COVER,4.5mm Thk

PTO Clutch

1шт.

12

MT40028947

BOLT,Hex, M10 x 1.25 x 20mm

4шт.

13

MT40009523

PIN,M12 x 1.75

Lever Guide

1шт.

14

MT40029196

O-RING,2.4mm Thk x 9.8mm ID

1шт.

15

MT40229917

PLUG

Magnet

2шт.

16

MT40229916

SEAL,20mm ID x 26mm OD x 1.5mm L

Plug

2шт.

17

MT40011498

COVER

Range

1шт.

18

MT20133605

AXLE HOUSING

Axle, MDL PTO

1шт.

19

MT40182457

DIPSTICK

Oil Level

1шт.

19a

MT40309868

Oil Level, Use W/MT20146903 Axle Case

JOINT

1шт.

20

MT40253589

PLUG,3/4"

Taper

1шт.

21

MT40009186

COVER

MDL PTO

1шт.

22

MT40029235

O-RING,5.7mm Thk x 194.3mm ID

1шт.

Выбрано товаров: 23