Запчасти Case IH FARMALL 50C (29.202.AJ[02]) - HYDROSTATIC TRANSMISSION, FARMALL 40C, 50C (29) - HYDROSTATIC DRIVE

Схема запчастей Case IH FARMALL 50C - (29.202.AJ[02]) - HYDROSTATIC TRANSMISSION, FARMALL 40C, 50C (29) - HYDROSTATIC DRIVE
29.202.aj 01
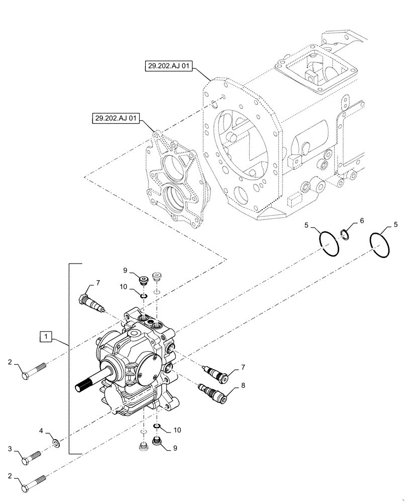
2
10
3
8
2
7
7
5
1
10
5
6
4
9
9
29.202.aj 01
FIT
1:1
100%

Артикул

Название

Примечание

Количество

1

MT40266908

HYDROSTATIC PUMP

Assy, Incl 7 - 10

1шт.

2

MT40028956

BOLT,Hex, M10 x 1.25 x 70mm

4шт.

3

MT40029465

BOLT,M10 x 1.25 x 50mm

2шт.

4

MT40029549

WASHER,10.20mm ID x 18.40mm OD x 2.50mm Thk

Spring

2шт.

5

MT40029255

O-RING,2mm Thk x 70mm ID

2шт.

6

MT40029271

SNAP RING,M25

1шт.

7

MT40260169

VALVE

Assy, Neutral

2шт.

8

MT40266964

VALVE PRESSURE RELIE

Assy

1шт.

9

MT40260162

PLUG,3/8"

4шт.

10

MT40029201

O-RING,2.4mm Thk x 13.8mm ID

4шт.

Выбрано товаров: 10