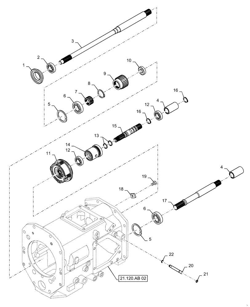
Запчасти Case IH FARMALL 50C (31.110.AO[02]) - PTO SHAFT, CLUTCH, FARMALL 40C, 50C (31) - IMPLEMENT POWER TAKE OFF

Схема запчастей Case IH FARMALL 50C - (31.110.AO[02]) - PTO SHAFT, CLUTCH, FARMALL 40C, 50C (31) - IMPLEMENT POWER TAKE OFF
21.120.ab 02
18
3
16
8
19
11
7
4
1
22
13
6
5
17
4
14
16
2
15
21
9
5
6
20
12
12
10
FIT
1:1
100%

Артикул

Название

Примечание

Количество

1

MT40010121

HOLDER,80mm OD x 46mm ID x 18.5L

PTO Shaft Bearing

1шт.

2

MT40012703

BALL BEARING

1шт.

3

MT40266224

SHAFT

Main, PTO, IPTO

1шт.

4

MT40010218

JOINT,22.50mm ID x 35mm OD x 71mm

2шт.

5

MT40029299

SNAP RING,M62

2шт.

6

MT40012715

BALL BEARING

2шт.

7

MT40009684

JOINT,22.50mm ID x 40mm OD x 21.50mm

Hydr Clutch Hub

1шт.

8

MT40029277

SNAP RING,M40

1шт.

9

MT40010105

HUB,37.50mm ID x 59.667mm OD x 53mm

PTO Hydr Clutch

1шт.

10

MT40012696

BALL BEARING

1шт.

11

MT40007683

PTO CLUTCH

PTO

1шт.

12

MT40012697

BALL BEARING

2шт.

13

MT40258413

OIL SEAL,25.14mm OD x 2.5mm Thk

2шт.

14

MT40009133

SLEEVE,25.14mm ID x 62mm OD x 72.50mm

Hydr Clutch Circuit

1шт.

15

MT40009348

SHAFT,24.75mm OD x 183.90mm L

IPTO Clutch

1шт.

16

MT40029271

SNAP RING,M25

2шт.

17

MT40009259

SHAFT,25.14mm OD x 314.7L

PTO Rear

1шт.

18

MT40011912

STOP DEVICE,5mm Thk

Rear Idle Shaft

1шт.

19

MT40028947

BOLT,Hex, M10 x 1.25 x 20mm

1шт.

20

MT40010130

PIPE,3.50mm ID x 9.80mm OD x 89mm L

Hydr Clutch Input

1шт.

21

MT40029238

O-RING,1.50mm Thk x 7.50mm ID

1шт.

22

MT40029237

O-RING,1.50mm Thk x 6.50mm ID

1шт.

Выбрано товаров: 22