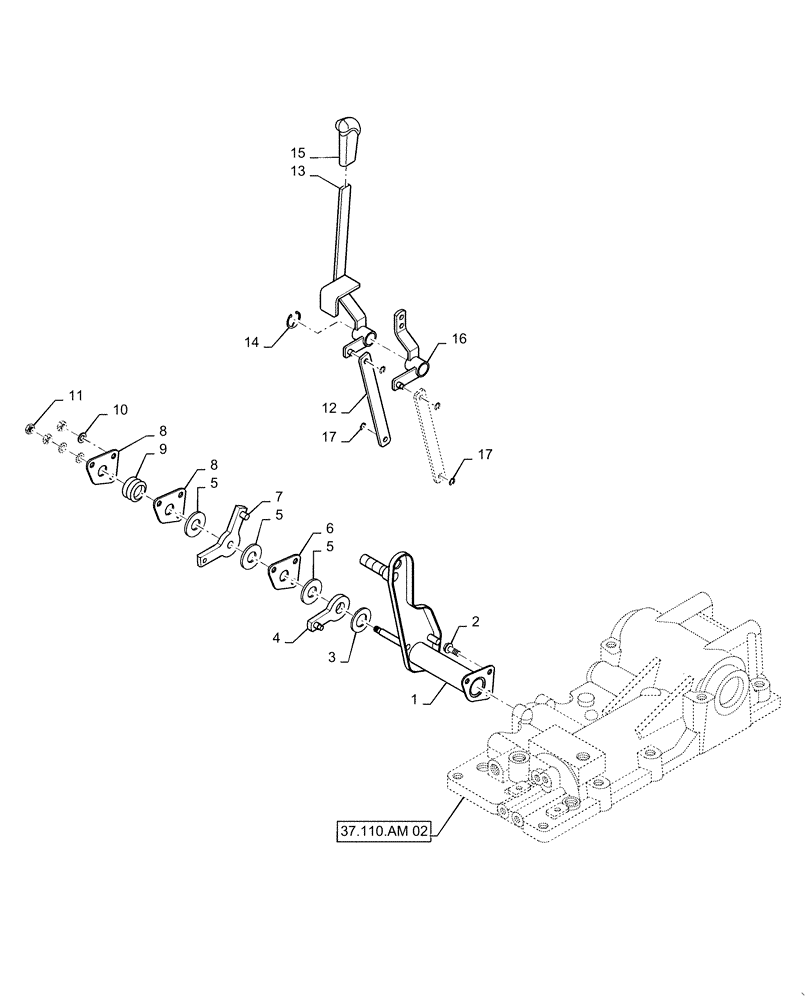
Запчасти Case IH FARMALL 50C (37.108.AE[03]) - HYDRAULIC CONTROL LEVER, FARMALL 40C, 50C (37) - HITCHES, DRAWBARS & IMPLEMENT COUPLINGS

Схема запчастей Case IH FARMALL 50C - (37.108.AE[03]) - HYDRAULIC CONTROL LEVER, FARMALL 40C, 50C (37) - HITCHES, DRAWBARS & IMPLEMENT COUPLINGS
7
6
12
8
4
14
5
13
17
3
15
1
5
9
8
10
2
17
5
16
11
37.110.am 02
FIT
1:1
100%

Артикул

Название

Примечание

Количество

1

MT40027853

BRACKET

Hydraulic Lever

1шт.

2

MT40028947

BOLT,Hex, M10 x 1.25 x 20mm

1шт.

3

MT40006943

PLATE,21mm ID x 40mm OD x 2mm Thk

1шт.

4

MT40011925

ARM

Draft Lever

1шт.

5

MT40006942

PLATE,13mm ID x 40mm OD x 2mm Thk

3шт.

6

MT40011868

COVER,3.2mm Thk

Spring

1шт.

7

MT40282030

ARM

Position Control

1шт.

8

MT40012316

PLATE,3.2mm Thk

Locking

2шт.

9

MT40012375

SPRING,27mm OD x 23mm L

1шт.

10

MT40029543

WASHER,6.10mm ID x 12.20mm OD x 1.50mm Thk

Spring

3шт.

11

MT40028763

NUT,M6 x 1.0

3шт.

12

MT40009879

LINK

Hydraulic Lever

2шт.

13

MT40296744

LEVER

Position

1шт.

14

MT40029322

SNAP RING,M15, Ext

1шт.

15

MT40008329

GRIP

Aux Lever

1шт.

16

MT40282028

LEVER

Draft

1шт.

17

MT40029314

SNAP RING,M6

4шт.

Выбрано товаров: 17