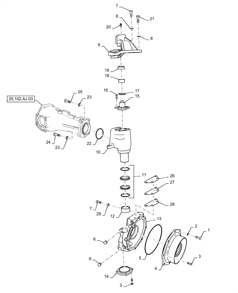
Запчасти Case IH FARMALL 50C (25.102.AJ[05]) - FRONT AXLE HOUSING, LH, FARMALL 50C (25) - FRONT AXLE SYSTEM

Схема запчастей Case IH FARMALL 50C - (25.102.AJ[05]) - FRONT AXLE HOUSING, LH, FARMALL 50C (25) - FRONT AXLE SYSTEM
25.102.aj 03
9
13
8
12
4
27
7
2
1
16
20
18
10
6
11
23
3
14
6
5
28
26
15
23
21
25
22
3
8
24
29
17
19
7
FIT
1:1
100%

Артикул

Название

Примечание

Количество

1

MT40009512

BOLT,Hex, M10 x 1.25 x 35mm

1шт.

2

MT40029549

WASHER,10.20mm ID x 18.40mm OD x 2.50mm Thk

Spring

1шт.

3

MT40028949

BOLT,Hex, M10 x 1.25 x 30mm

11шт.

4

MT40009327

COVER

Front Axle Shaft

1шт.

5

MT40007364

O-RING,231mm OD x 3mm Thk

Rubber

1шт.

6

MT40009626

PLUG,Tpr, 16.66mm OD x 21mm L

Taper

2шт.

7

MT40029381

BOLT,Hex, M12 x 1.75 x 30mm

3шт.

8

MT40029551

WASHER,12.20mm ID x 21.50mm OD x 3mm Thk

Spring

4шт.

9

MT40008948

ARM

LH

1шт.

10

MT40009021

CASE

King Pin, Serial Range: -2229011711

1шт.

10

MT40304945

HOUSING

King Pin, Start Serial: 2229011712

1шт.

11

MT40007918

SEAL

1шт.

12

MT40007901

BUSHING,60mm ID x 65mm OD x 30mm

DU

1шт.

13

MT40008939

CASE

Gear, LH

1шт.

14

MT40036079

COVER

W/ Bearing Case

1шт.

15

MT40009964

HOLDER,105mm OD x 62.50mm L

Arm

1шт.

16

MT40028923

BOLT,Hex, M8 x 1.25 x 25mm

6шт.

17

MT40012856

SEAL

Dust

1шт.

18

MT40012936

BUSHING

1шт.

19

MT40007983

TAPERED BEARING

1шт.

20

MT40009516

NIPPLE,M10 x 1/8"

Grease

1шт.

21

MT40009921

BOLT,M12 x 1.75 x 35mm

Reamer

2шт.

22

MT40029230

O-RING

1шт.

23

MT40029553

WASHER,14.20mm ID x 24.50mm OD x 3.50mm Thk

Spring

5шт.

24

MT40029398

BOLT

, Serial Range: -2229011711

4шт.

24

MT40077564

BOLT,M14 x 1.5 x 40mm

, Start Serial: 2229011712

3шт.

25

MT40009536

BOLT

Reamer, Serial Range: -2229011711

1шт.

25

MT40305363

BOLT,HEX, M14 x 1.5 x 50mm

Reamer, Start Serial: 2229011712

2шт.

26

MT40012502

SHIM,0.15mm Thk

1шт.

27

MT40012667

SHIM,0.30mm Thk

1шт.

28

MT40012668

SHIM,0.40mm Thk

1шт.

29

MT40028726

NUT,Hex, M12 x 1.75

1шт.

Выбрано товаров: 32