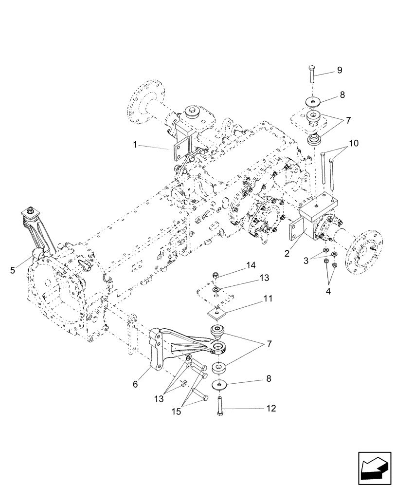
Запчасти Case IH FARMALL 55 (10.01.02) - CAB MOUNT (10) - OPERATORS PLATFORM/CAB

Схема запчастей Case IH FARMALL 55 - (10.01.02) - CAB MOUNT (10) - OPERATORS PLATFORM/CAB
13
14
12
8
15
1
9
10
13
7
8
4
7
3
6
5
11
2
FIT
1:1
100%

Артикул

Название

Примечание

Количество

1

87364560

BRACKET

Rear, RH

1шт.

2

87364566

BRACKET

Rear, LH

1шт.

3

140046

BELLEVILLE WASHER,M12 Bolt Size x 27mm OD x 1.8mm Thk

4шт.

4

100038

NUT,M12 x 1.75, Cl 8

4шт.

5

87366165

BRACKET

Front, RH

1шт.

6

87366171

BRACKET

Front, LH

1шт.

7

87562813

RUBBER MOUNTING

Isolator

4шт.

8

86405029

WASHER,16.7mm ID x 71.4mm OD x 4.8mm Thk

4шт.

9

86521733

BOLT,Hex Flg, M16 x 90mm, Cl 10.9

2шт.

10

87375465

BOLT,Hex, M12 x 190mm, Cl 10.9

4шт.

11

87388455

PLATE

Isolator

2шт.

12

86541970

BOLT,Hex, M16 x 100mm, Cl 10.9

2шт.

13

140048

BELLEVILLE WASHER,M16 Bolt Size x 32mm OD x 2.8mm Thk

4шт.

14

86512555

NUT,M16 x 2, Cl 10

2шт.

15

86577946

BOLT,Hex, M16 x 80mm, CL 10.9

2шт.

Выбрано товаров: 15