Запчасти Case IH FARMALL 55 (01.02) - CAMSHAFT (01) - ENGINE

Схема запчастей Case IH FARMALL 55 - (01.02) - CAMSHAFT (01) - ENGINE
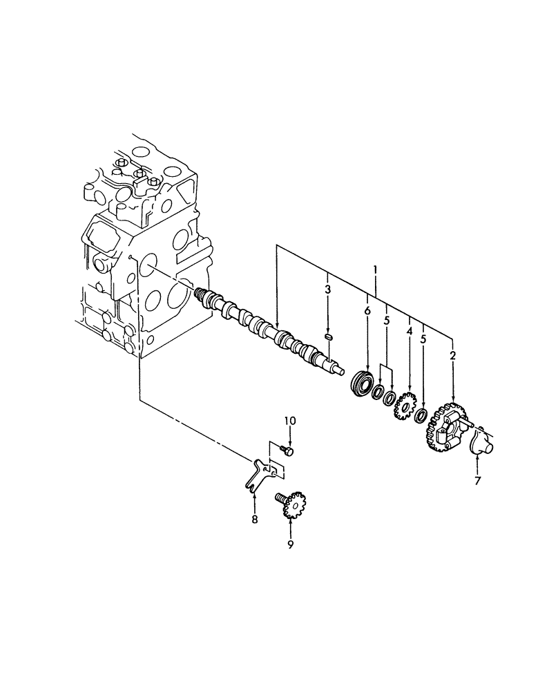
10
7
2
1
9
5
4
3
6
5
8
FIT
1:1
100%

Артикул

Название

Примечание

Количество

1

SBA120026970

CAMSHAFT

1шт.

SBA120026970R

REMAN-CAMSHAFT

FARMALL 55, FARMALL 60

1шт.

SBA120026970C

CORE-CAMSHAFT

Return Number

1шт.

2

SBA120016050

GEAR

1шт.

3

SBA034100508

KEY

1шт.

4

SBA120736081

GEAR

1шт.

5

SBA199216230

SPACER

3шт.

6

SBA040109057

BEARING

1шт.

7

SBA125256120

SLIDE GUIDE

1шт.

8

SBA199566750

BRACKET

1шт.

9

SBA120076070

GEAR

Tachometer

1шт.

10

SBA011310612

CAPTIVE WASHER SCREW,Hex, M6 x 12, Cl 8.8

2шт.

Выбрано товаров: 12