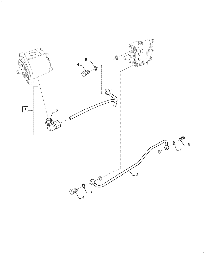
Запчасти Case IH FARMALL 55C (35.300.020) - HYDRAULIC LINES, MECHANICAL TRANSMISSION (35) - HYDRAULIC SYSTEMS

Схема запчастей Case IH FARMALL 55C - (35.300.020) - HYDRAULIC LINES, MECHANICAL TRANSMISSION (35) - HYDRAULIC SYSTEMS
2
5
3
5
7
4
4
6
1
FIT
1:1
100%

Артикул

Название

Примечание

Количество

1

MT40306648

PIPE

Assy Incl 2

1шт.

2

MT40010275

JOINT,15mm ID x 1/2"

1шт.

3

MT40254895

PIPE

Drain

1шт.

4

MT40010250

BOLT,Union 1/2" x 36mm L

2шт.

5

MT40012096

SEAL,1.5mm Thk x 21.2mm ID

4шт.

6

MT40010321

BOLT,Union, PF 3/8" x 22mm OD

1шт.

7

MT40012415

SEAL,16.8mm ID x 1.5mm Thk

2шт.

Выбрано товаров: 7