Запчасти Case IH FARMALL 55C (33.120.040) - BRAKE PEDALS, REAR, STANDARD, MECHANICAL TRANSMISSION (33) - BRAKES & CONTROLS

Схема запчастей Case IH FARMALL 55C - (33.120.040) - BRAKE PEDALS, REAR, STANDARD, MECHANICAL TRANSMISSION (33) - BRAKES & CONTROLS
21.120.010
13
18
7
3
6
12
15
17
16
16
10
14
6
9
8
6
4
5
7
5
11
1
2
7
5
6
5
21.120.010
FIT
1:1
100%

Артикул

Название

Примечание

Количество

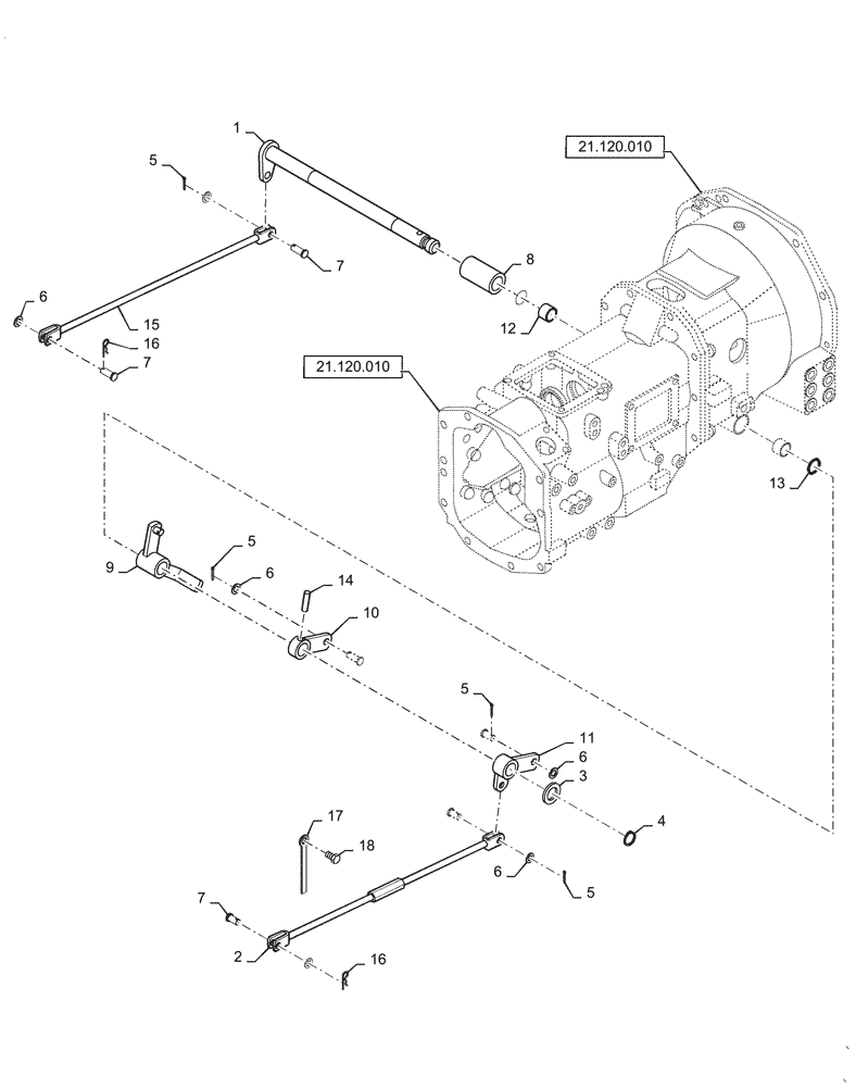
1

MT40011965

SHAFT,25mm OD x 469mm L

Brake Pedal

1шт.

2

MT40013049

ROD

Brake Assy

1шт.

3

MT40028184

WASHER,25mm ID x 44mm OD x 4mm Thk

Plain

1шт.

4

MT40029271

SNAP RING,M25

1шт.

5

MT40029121

PIN,25mm OD x 20mm L

5шт.

6

MT40028171

WASHER,10.5mm ID x 21mm OD x 2mm Thk

Plain

7шт.

7

MT40009617

PIN,10mm ID x 14mm OD x 26mm L

6шт.

8

MT40010069

SPACER,25mm ID x 45mm OD x 74mm L

1шт.

9

MT40012056

ARM

Parking Brake

1шт.

10

MT40012055

ARM

LH, Brake

1шт.

11

MT40012404

ARM

RH, Brake

1шт.

12

MT40009874

BUSHING

2шт.

13

MT40029211

O-RING,3.50mm Thk x 24.70mm ID

2шт.

14

MT40029179

PIN,Spring, M8 x 40mm L

Spring

1шт.

15

MT40011917

ROD,638mm L

Brake

1шт.

16

MT40029132

HAIR PIN COTTER,M10

2шт.

17

MT40012733

CLAMP,10mm W x 140mm L

1шт.

18

MT40028947

BOLT,Hex, M10 x 1.25 x 20mm

1шт.

Выбрано товаров: 18