Запчасти Case IH FARMALL 55C (35.300.AN[03]) - HYDRAULIC OIL FILTER (35) - HYDRAULIC SYSTEMS

Схема запчастей Case IH FARMALL 55C - (35.300.AN[03]) - HYDRAULIC OIL FILTER (35) - HYDRAULIC SYSTEMS
5
8
2
6
3
4
9
11
7
3
10
10
1
9
FIT
1:1
100%

Артикул

Название

Примечание

Количество

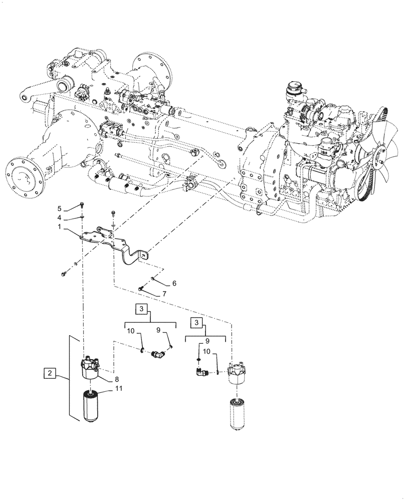
1

47881405

BRACKET

Hydraulic Filter Mount

1шт.

2

47755592

HYDRAULIC OIL FILTER

Incl 8, 11

2шт.

3

86579692

90 ELBOW,90 Degree, 13/16"-18 ORFS x M22 x 1.5 ORB

Incl 9 - 10

2шт.

4

322358

BELLEVILLE WASHER,M8 Bolt Size x 18mm OD x 1.4mm Thk

8шт.

5

87656137

BOLT,Flange Hex, M8 x 20mm, Cl 10.9

8шт.

6

896-11008

WASHER,9mm ID x 17mm OD x 2mm Thk

3шт.

7

87698833

BOLT,M8 x 33.1mm, Cl 10.9

3шт.

8

NSS

NOT SOLD SEPARAT

Filter Head, Incl in 2

2шт.

9

9992298

O-RING,0.07" Thk x 0.489" ID, -14, Cl 6, 90 Duro

2шт.

10

86598102

O-RING,2.2mm Thk x 19.3mm ID, Cl 6, 90 Duro

2шт.

11

47825344

HYDRAULIC OIL FILTER

152.5mm L

2шт.

Выбрано товаров: 11