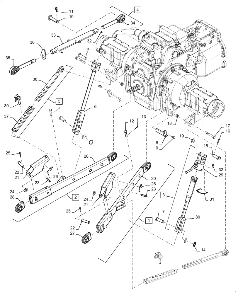
Запчасти Case IH FARMALL 55C (37.120.AX) - 3 POINT HITCH (37) - HITCHES, DRAWBARS & IMPLEMENT COUPLINGS
№
Артикул
Название
Примечание
Количество
1
84267781
LOWER LINK
Telescopic, RH, Incl 20 - 27
1шт.
2
84267780
LOWER LINK
Telescopic, LH, Incl 20 - 26, 28
1шт.
3
87549638
LIFT LINK
Implement Level, Incl 29 - 32
1шт.
4
87549637
TOP LINK
Stabilizer, Incl 32 - 36
1шт.
5
84267453
STABILIZER BAR
Side Link, Incl 37 - 39
2шт.
6
87549639
LIFT ARM
Non Adjustable, LH
1шт.
7
87650630
PIN
Lower Lift Link, 18mm OD x 55mm L
2шт.
8
84153316
PIVOT PIN
Lower Link Pivot, 22mm OD x 100mm L
2шт.
9
43138
BOLT,Hex, M10 x 1.5 x 20mm, Cl 8.8
2шт.
10
87563180
CLEVIS PIN
19mm OD x 68.5mm L
1шт.
11
216698
COTTER PIN,0.125" OD x 1.75" L
1шт.
12
84056380
CLEVIS PIN,12mm OD x 50mm L
2шт.
14
86532783
RING
Spring, 31.76mm OD
2шт.
15
87650629
PIN
18mm OD x 65mm L
2шт.
16
412686
COTTER PIN,M5 x 32
2шт.
17
86979023
BOLT,Hex, M12 x 85mm, Cl 10.9
2шт.
18
100038
NUT,M12 x 1.75, Cl 8
2шт.
19
87016606
WASHER,20mm ID x 34mm OD x 3mm Thk
3шт.
20
84275433
LOWER LINK
Lower
2шт.
21
86402627
COVER
Link Adjustment
2шт.
22
86400412
CLEVIS PIN,15.88mm OD x 63mm L
2шт.
23
14610270
LOCK PIN,M10 x 45, Slotted
2шт.
24
86511326
WASHER,17mm ID x 30mm OD x 3mm Thk
2шт.
25
87398
COTTER PIN,3/16" OD x 1-1/4" OAL
2шт.
26
86532826
SPRING,Extension, 60.7mm L
2шт.
27
87588288
LIFT LINK
End, RH
1шт.
28
87588287
LIFT LINK
End, LH
1шт.
29
87588290
GEARBOX
Gear, Lift Link
1шт.
30
87588291
FORK
Bottom, Lift Link
1шт.
31
87590747
LOCK
Lever Holder
1шт.
32
87588865
FITTING,M6 x 1 x 12mm L
Lube Nipple, M6 x 1
5шт.
33
87588285
TURNBUCKLE,M24 x 3
1шт.
34
86558207
BALL JOINT,M24 x 3, LH Threads
1шт.
35
86558206
BALL JOINT
M24 x 3, RH Thread
1шт.
36
87660238
NUT
M24 x 3
1шт.
37
84275450
STABILIZER
Outer Bar
2шт.
38
87611841
LIFT LINK
Inner Bar
2шт.
39
86400280
PIN
Stabilizer
2шт.
Выбрано товаров: 0