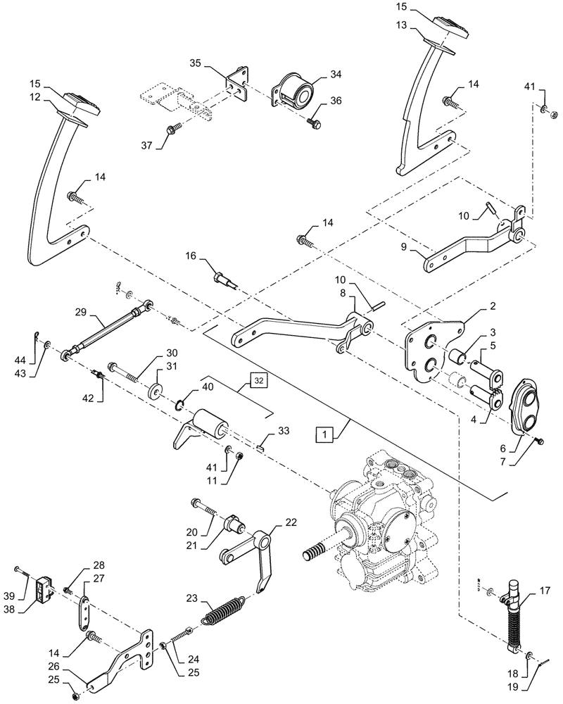
Запчасти Case IH FARMALL 55C (29.200.020) - HYDROSTATIC TRANSMISSION, CONTROLS (29) - HYDROSTATIC DRIVE

Схема запчастей Case IH FARMALL 55C - (29.200.020) - HYDROSTATIC TRANSMISSION, CONTROLS (29) - HYDROSTATIC DRIVE
15
14
32
41
39
12
18
6
29
14
9
38
5
7
11
33
8
10
2
42
27
28
30
37
34
13
4
35
24
10
19
41
14
44
26
3
15
43
21
22
31
23
20
40
36
14
17
25
25
16
1
FIT
1:1
100%

Артикул

Название

Примечание

Количество

1

MT40292040

CONTROLLER

Assy, HST, Incl 2 - 10

1шт.

2

MT40011440

PLATE

1шт.

3

MT40012935

BUSHING

2шт.

4

MT40012477

SHAFT

A

1шт.

5

MT40012478

SHAFT

B

1шт.

6

MT40008311

COVER,1mm Thk

Dust

1шт.

7

MT40028909

BOLT,Hex, M6 x 1 x 12mm

2шт.

8

MT40011619

ARM

Pedal

1шт.

9

MT40292039

ARM

Right Pedal

1шт.

10

MT40029173

PIN,6mm OD x 36mm L

Spring

2шт.

11

MT40029026

NUT,Hex, M10 x 1.25

2шт.

12

MT40272590

PEDAL

Forward, ROPS

1шт.

13

MT40278404

PEDAL

Reverse, ROPS

1шт.

14

MT40028948

BOLT,Hex, M10 x 1.25 x 25mm

8шт.

15

MT40232475

RUBBER PEDAL PAD

2шт.

16

MT40012784

PIN,M10 x 1.25

1шт.

17

MT40279235

DAMPER

HST

1шт.

18

MT40028157

WASHER,8.40mm ID x 15.50mm OD x 1.60mm Thk

Plain

2шт.

19

MT40029119

PIN,20mm OD x 20mm L

2шт.

20

MT40028954

BOLT,M10 x 1.25 x 55mm

1шт.

21

MT40009880

SHAFT,25.5mm L

Control

1шт.

22

MT40013018

ARM

Sub Assy, Neutral

1шт.

23

MT40012894

SPRING,2.9mm ID x 22mm OD x 110mm L

1шт.

24

MT40012133

BOLT,8mm OD

Adjust

1шт.

25

MT40029040

NUT,Hex, M8 x 1.25

2шт.

26

MT40011300

BRACKET,4.5mm Thk

Spring

1шт.

27

MT40009454

PLATE,4.5mm Thk

1шт.

28

MT40028909

BOLT,Hex, M6 x 1 x 12mm

2шт.

29

MT40291203

ROD

Assy, HST

1шт.

30

MT40028956

BOLT,Hex, M10 x 1.25 x 70mm

1шт.

31

MT40012971

WASHER

1шт.

32

MT40292038

CAM

HST, Incl 40

1шт.

33

MT40029090

KEY

Sunk

1шт.

34

MT40181852

MAGNET

Assy, Cruise

1шт.

35

MT40282536

BRACKET

Cruise Magnet

1шт.

36

MT40028923

BOLT,Hex, M8 x 1.25 x 25mm

2шт.

37

MT40028973

BOLT,Hex, M8 x 1.25 x 25mm

2шт.

38

MT40007150

MFD SWITCH,125VAC/12A

Neutral, Micro

1шт.

39

MT40028710

SCREW,M4 x 0.7 x 35mm

2шт.

40

MT40150738

SNAP RING,M20

1шт.

41

MT40029549

WASHER,10.20mm ID x 18.40mm OD x 2.50mm Thk

Spring

2шт.

42

MT40288583

PIN

HST Rod

2шт.

43

MT40028171

WASHER,10.5mm ID x 21mm OD x 2mm Thk

Plain

2шт.

44

MT40029132

HAIR PIN COTTER,M10

2шт.

Выбрано товаров: 44