Запчасти Case IH FARMALL 60 (03.07) - CHANGE LEVERS (03) - TRANSMISSION

Схема запчастей Case IH FARMALL 60 - (03.07) - CHANGE LEVERS (03) - TRANSMISSION
11
15
19
18
22
2
25
6
9
4
23
8
29
5
13
31
3
20
30
1
12
11a
10
24
5
32
16
21
6
27
14
11b
8
26
25
7
17
28
12
FIT
1:1
100%

Артикул

Название

Примечание

Количество

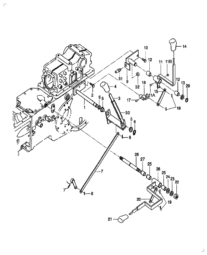
1

SBA324501470

GUIDE

Shift

1шт.

2

SBA011511235

BOLT,M12 x 35

M10 x 25

2шт.

3

SBA324107650

LEVER

Change, Range

1шт.

4

87301029

KNOB

Range

1шт.

5

SBA398511560

DRIVE BUSHING

2шт.

6

370024

CIRCLIP,M20, Ext

2шт.

7

SBA324540570

PLATE

Shift

1шт.

8

SBA030102520

COTTER PIN

2шт.

9

SBA324501410

GUIDE

Shift

1шт.

10

SBA011510820

CAPTIVE WASHER SCREW,Hex, M8 x 20, G5

2шт.

11

SBA324107641

LEVER

Change, PTO

1шт.

11a

SBA010300820

BOLT

M8 x 20

1шт.

11b

43362

NUT,M8 x 1.25, Cl 10

1шт.

12

SBA398510010

DRIVE BUSHING

2шт.

13

SBA026100018

WASHER

M18

1шт.

14

87301031

KNOB

PTO

1шт.

15

SBA324540450

PLATE

Shift

1шт.

16

SBA324107610

LEVER

Change

1шт.

17

SBA030300625

PIN

Spring

1шт.

18

SBA030102016

COTTER PIN

2шт.

19

SBA030102520

COTTER PIN

2шт.

20

SBA324540210

PLATE

Shift, FWD

1шт.

21

87301037

KNOB

FWD

1шт.

22

100020

NUT,M16 x 2.0, Cl 8

1шт.

23

86729275

LOCK WASHER,5/8 0.634 CST ZND

1шт.

24

SBA026100016

WASHER

M16

1шт.

25

SBA398510010

DRIVE BUSHING

2шт.

26

SBA324108051

LEVER

Change FWD

1шт.

27

SBA399236130

COLLAR

1шт.

28

SBA324500490

GUIDE

Shift

1шт.

29

11066676

SNAP RING,M18, Ext

1шт.

30

SBA068109122

TUBE

Vinyl

1шт.

31

SBA385202640

SWITCH

PTO

1шт.

32

SBA020210014

NUT

M14

1шт.

Выбрано товаров: 0