Запчасти Case IH FARMALL 60 (1.80.1) - POWER TAKE-OFF (540 RPM) (07) - HYDRAULIC SYSTEM

Схема запчастей Case IH FARMALL 60 - (1.80.1) - POWER TAKE-OFF (540 RPM) (07) - HYDRAULIC SYSTEM
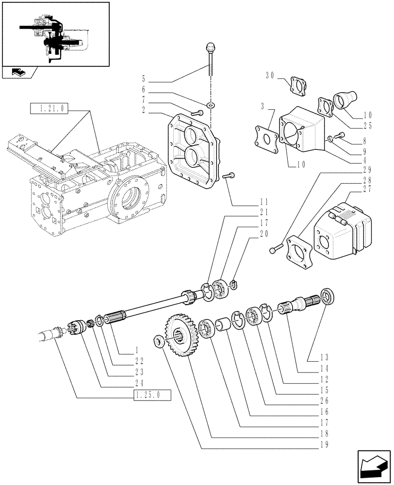
21
6
2
20
24
11
25
17
9
28
18
29
16
8
22
3
4
19
13
5
27
23
home
26
1.25.0
1
12
10
14
30
17
7
15
1.21.0
10
FIT
1:1
100%

Артикул

Название

Примечание

Количество

1

47132984

SHAFT

1шт.

2

5164003

COVER

1шт.

3

5104039

GUARD

1шт.

4

5093969

COVER

1шт.

5

47134050

DIPSTICK

1шт.

6

10263460

SEAL,22.3mm ID x 28mm OD x 1.5mm Thk

1шт.

7

11391524

SCREW,Hex, M16 x 1.5 x 45mm, Cl 8.8, Full Thd

4шт.

8

14306324

HEX SOC SCREW,M8 x 1.25 x 20mm, Cl 8.8, Full Thd

4шт.

9

14499407

WASHER,8.4mm ID x 14mm OD x 1.6mm Thk

4шт.

10

5171520

SHIELD,132mm L

1шт.

11

15981324

BOLT,Hex, M16 x 1.5 x 75mm, Cl 8.8

6шт.

12

80300633

SNAP RING,M80, Int

1шт.

13

5111518

SEAL,50mm ID x 80mm OD x 10mm Thk

1шт.

14

5109726

SHAFT

1шт.

15

20915780

BALL BEARING,40mm ID x 80mm OD x 18mm W

1шт.

16

5109727

SPACER,40.1mm ID x 50mm OD x 43mm L

1шт.

17

20943310

BALL BEARING,40mm ID x 90mm OD x 23mm W

2шт.

18

5109725

DRIVEN GEAR

1шт.

19

5122985

NUT,Ring, M32, 1.5 Pitch

1шт.

20

370006

SNAP RING,M40, Ext

1шт.

21

370013

SNAP RING,M90 x 3mm Thk, Internal

1шт.

22

11068376

SNAP RING,M35, Ext x 1.5 Thk

1шт.

23

5103238

NEEDLE BEARING,15mm ID x 21mm OD x 16mm W

1шт.

24

5167983

SPLINED COUPLING,12T

1шт.

25

5155332

SEAL PROTECTION,115mm ID x 122mm OD x 29mm Thk

, Serial Range: -C6954

1шт.

26

5164109

CIRCLIP

1шт.

27

5180097

GUARD

1шт.

Flip-Up Protection Shield, VAR.330810-335810

1шт.

28

5093107

SPACER

1шт.

Flip-Up Protection Shield for 2 Speed PTO, VAR.335810

1шт.

29

16044621

SCREW,Hex, M8 x 70mm, Cl 8.8

4шт.

Flip-Up Protection Shield for 2 Speed PTO, VAR.335810

1шт.

30

84402411

GUARD

, Start Serial: D6954

1шт.

Выбрано товаров: 33