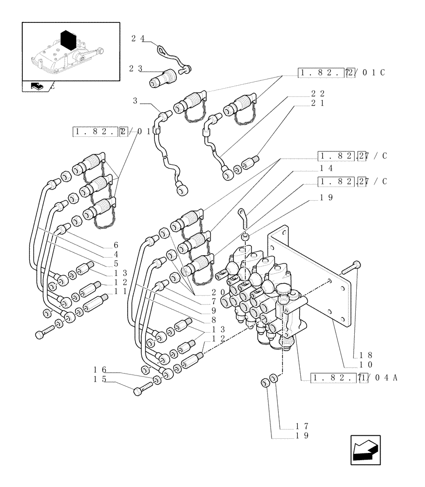
Запчасти Case IH FARMALL 60 (1.82.7/04[01]) - 3 CONTROL VALVES - CONTROL VALVES AND QUICK COUPLINGS (VAR.335054-335085-335103) (07) - HYDRAULIC SYSTEM

Схема запчастей Case IH FARMALL 60 - (1.82.7/04[01]) - 3 CONTROL VALVES - CONTROL VALVES AND QUICK COUPLINGS (VAR.335054-335085-335103) (07) - HYDRAULIC SYSTEM
11
1
2
4
3
1.82.7/c
10
18
15
12
14
2
9
8
24
21
12
2
5
17
1.82.7/04a
home
1.82.7/01c
1.82.7/01c
13
2
7
16
6
22
1.82.7/c
19
13
20
23
19
FIT
1:1
100%

Артикул

Название

Примечание

Количество

1

87391323

CONTROL VALVE

ASSY

1шт.

(1 S/D W/Kick Out, Float and Flow Control + 1 Double Acting W/Kick Out and Float + 2 Double Acting)

1шт.

2

5093853

COUPLING, QUICK, FEM,Black

Black

8шт.

Ankara Plant

1шт.

3

87391315

FLEXIBLE HOSE

Eight

1шт.

4

5092065

TUBE

Quick Coupling, First, 449MM

1шт.

5

5092067

TUBE

Quick Coupling, Second, 415MM

1шт.

6

5094320

TUBE

Quick Coupling, Third, 419MM

1шт.

7

5094324

TUBE

Quick Coupling, Fourth, 364.5MM

1шт.

8

5096140

TUBE

Quick Coupling, Fifth, 431MM

1шт.

9

5096986

TUBE

Quick Coupling, Sixth, 312MM

1шт.

10

87391060

SUPPORT

1шт.

11

5092078

SPACER,M18 x 1.5 NPT x M18 x 1.5

M18/89MM

1шт.

12

5092079

SPACER,M18 x 1.5 NPT x M18 x 1.5

M18/59MM

2шт.

13

5092080

SPACER,M18 x 1.5 Male ORFS x M18 x 1.5 Female ORFS

M18/29MM

3шт.

14

5089075

EYEBOLT,M8

3шт.

15

5100984

BANJO BOLT,M18 x 1.5, 34mm L

9шт.

16

10259960

SEAL,Rectangular, 18.30mm ID x 24.00mm OD x 1.50mm, Copper

29шт.

17

10571779

LOCK WASHER,Helical Spring, 8.10mm ID x 14.80mm OD x 2.00mm, ZNM

4шт.

17

12601374

WAVE WASHER,Wave, 8.40mm ID x 15.00mm OD x 0.80mm, 3.00mm, CST, DAC

4шт.

18

16044721

SCREW,Hex, M8 x 75mm, Cl 8.8

3шт.

19

16100811

NUT,Hex, M8, 6.80mm, Cl 8, ZND

7шт.

20

5129168

BHD LOCK NUT,M24 x 1.5

6шт.

21

5121789

REDUCER,M18 x 1.5 M ORB; M18 x 1.5 F ORB

M18/33MM

2шт.

22

87391314

FLEXIBLE HOSE

Seventh

1шт.

23

5189322

QUICK MALE COUPLING,66mm L

include p/n 1534623C1

8шт.

Jesi Plant

1шт.

1534623C1

SEAL KIT

1шт.

24

5186723

DUST CAP,24mm, Black

Black

8шт.

Jesi Plant

1шт.

Выбрано товаров: 30