Запчасти Case IH FARMALL 60 (0.32.6) - TEMPERATURE CONTROL (THERMOSTAT) (01) - ENGINE

Схема запчастей Case IH FARMALL 60 - (0.32.6) - TEMPERATURE CONTROL (THERMOSTAT) (01) - ENGINE
2
0.06.0
3
1
home
7
4
5
6
FIT
1:1
100%

Артикул

Название

Примечание

Количество

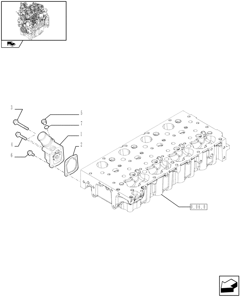
1

504221036

THERMOSTAT

1шт.

2

504164205

GASKET

1шт.

3

16592625

SCREW,M8 x 80mm

M8 x 80

2шт.

4

16586725

BOLT,Hex, M8 x 1.25 x 40mm

M8 x 1.25 x 40

1шт.

5

16992315

PLUG

1шт.

6

16673635

BOLT,Hex, M8 x 1.25 x 20mm, Full Thd

1шт.

7

4858608

SEAL,14mm ID x 19.50mm OD x 1.50mm Thk

D = 14 x 20 x 1.5 mm

1шт.

Выбрано товаров: 7