Запчасти Case IH 717153026 (107) - QUICK HITCH & SUBFRAME - 715423076

Схема запчастей Case IH 717153026 - (107) - QUICK HITCH & SUBFRAME - 715423076
13
6
13
4
8
27
24
35
27
10
26
33
20
24
40
15
12
17
7
38
26
1
41
32
29
11
25
19
14
20
18
36
9
3
2
23
34
28
31
5
30
22
27
39
19
16
FIT
1:1
100%

Артикул

Название

Примечание

Количество

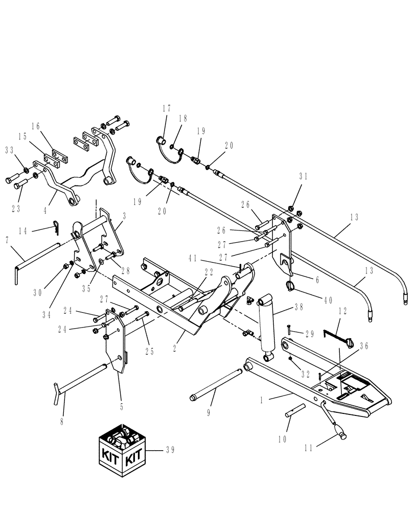
1

BER666523

HITCH ASSY

1шт.

2

BER667111

BRACKET

1шт.

3

BER667106

BRACKET

Middle Support

1шт.

4

BER667105

BRACKET

Rear

1шт.

5

BER667109

BRACKET

Lateral, RH

1шт.

6

BER667110

BRACKET

Lateral, LH

1шт.

7

BER667107

PIN

3/4" x 11-1/8"

1шт.

8

BER667108

PIN

7/8"

1шт.

9

BER666522

PIN

Pivot, 7/8" x 13"

1шт.

10

BER658383

PIN

3/4" x 4 1/2"

1шт.

11

BER656797

HANDLE GRIP

Plastic

1шт.

12

BER657632

CHAIN

Safety

1шт.

13

BER658325

FLEXIBLE HOSE

1/4" x 33"

2шт.

14

BER1800002

PIN

Hair, 4mm x 80mm

1шт.

15

BER667112

BRACKET

Spacer, 1/2"

2шт.

16

BER667113

BRACKET

3/8"

2шт.

17

BER658397

DUST CAP

3/8"

2шт.

18

BER658204

RING

Red

2шт.

19

BER658118

QUICK MALE COUPLING

Male 3/8"

2шт.

20

BER658205

RING

Blue

2шт.

21

BER655211

ELBOW

90 Degree 1/4"

2шт.

22

BER665009

PIN,19.05mm OD x 101.6mm L

3/4"

1шт.

23

PL

PROCURE LOCALLY

Bolt, Hex, 16mm x 2.00 x 60mm

4шт.

24

PL

PROCURE LOCALLY

Bolt, Hex, 12mm x 1.75 x 35mm, RIGHT UPPER WITHOUT LOADER

2шт.

24

PL

PROCURE LOCALLY

Bolt, Hex, 12mm x 1.75 x 55mm, RIGHT UPPER WITH LOADER

2шт.

24

PL

PROCURE LOCALLY

Bolt, Hex, 12mm x 1.75 x 60mm, RIGHT UPPER WITH/WITHOUT LOADER (Used with Tube Bracket)

2шт.

25

PL

PROCURE LOCALLY

Bolt, Hex, 12mm x 1.75 x 35mm, RIGHT LOWER WITHOUT LOADER

2шт.

25

PL

PROCURE LOCALLY

Bolt, Hex, 12mm x 1.75 x 65mm, LEFT L;OWER WITH/WITHOUT LOADER (Used with Tube Bracket)

2шт.

26

PL

PROCURE LOCALLY

Bolt, Hex, 12mm x 1.75 x 35mm, LEFT UPPER WITHOUT LOADER

2шт.

26

PL

PROCURE LOCALLY

Bolt, Hex, 12mm x 1.75 x 65mm, LEFT UPPER WITH LOADER

2шт.

27

PL

PROCURE LOCALLY

Bolt, Hex, 12mm x 1.75 x 35mm, LEFT LOWER WITHOUT LOADER

2шт.

27

PL

PROCURE LOCALLY

Bolt, Hex, 12mm x 1.75 x 65mm, LEFT LOWER WITH LOADER

2шт.

28

PL

PROCURE LOCALLY

Bolt, Hex, 1/2" x 1 3/4" Long

4шт.

29

PL

PROCURE LOCALLY

Bolt, Hex, 1/4" x 1 3/4" Long

1шт.

30

PL

PROCURE LOCALLY

Nylon Insert Locknut 1/2"

4шт.

31

BER0900033

NUT

Hex Flange 12-1.75mm serrated

8шт.

32

PL

PROCURE LOCALLY

Nylon Insert Locknut 1/4"

1шт.

33

PL

PROCURE LOCALLY

Lockwasher 16mm

4шт.

34

PL

PROCURE LOCALLY

Lockwasher 1/2"

4шт.

35

PL

PROCURE LOCALLY

Flat Washer 9/16"

4шт.

36

PL

PROCURE LOCALLY

Spring Pin 1/4" x 1 1/4"

1шт.

37

PL

PROCURE LOCALLY

Spring Pin 5/32" x 1 1/4"

1шт.

38

BER662363

CYLINDER,Double Acting, 158.75mm Stroke

2" x 6 1/4"

1шт.

39

BER665027

SEAL KIT

1шт.

40

BER1900001

LINCH PIN

5/16"

1шт.

Выбрано товаров: 45