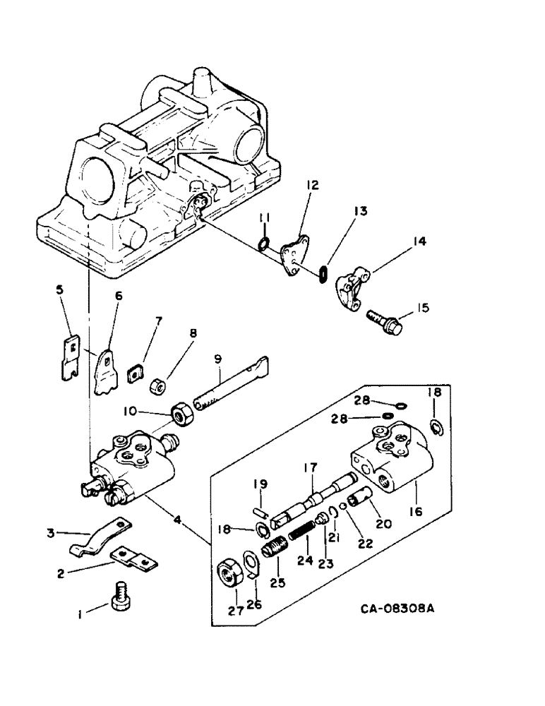
Запчасти Case IH 234 (10-13) - HYDRAULICS, HYDRAULIC CONTROL VALVE, 234 (07) - HYDRAULICS

Схема запчастей Case IH 234 - (10-13) - HYDRAULICS, HYDRAULIC CONTROL VALVE, 234 (07) - HYDRAULICS
15
24
13
22
5
19
9
1
23
21
12
6
27
20
7
11
10
25
28
16
17
28
8
14
18
4
3
18
26
2
FIT
1:1
100%

Артикул

Название

Примечание

Количество

1

56605

BOLT,Hex, M8 x 55, 8.8

M8 x 55 class 8.8

2шт.

2

1273335C1

SUPPORT ASSY.

SUPPORT

1шт.

3

1273336C1

VALVE SPRING

SUPPORT (spring)

1шт.

4

1273337C91

LOCK VALVE

VALVE ASSY, control

1шт.

5

1273338C1

SUPPORT ASSY.

SUPPORT (arm)

1шт.

6

1273339C1

SUPPORT ASSY.

SUPPORT (plate)

1шт.

7

1273340C1

SUPPORT ASSY.

SUPPORT (plate)

1шт.

8

30167R1

NUT,M8, Cl 10

M8 PHC class 10

1шт.

9

1273341C1

ROD

1шт.

10

1282721C1

NUT

replaces 1269786C1

1шт.

11

1273523C1

O-RING

O-RING

5шт.

12

1273342C1

SUPPORT ASSY.

SUPPORT (plate)

1шт.

13

1273343C1

O-RING,24.7mm ID x 3.5mm OD

1шт.

14

1273344C1

CYLINDER END CAP

CAP

1шт.

15

16044024

BOLT,Hex, M8 x 1.25 x 40mm, Cl 8.8

3шт.

934309R1

LOCK WASHER,M8

WASHER, 8 mm lock

3шт.

16

BODY, valve, order valve assy, 1273337C91 (NSS)

1шт.

17

SPOOL, valve, order valve assy, 1273337C91 (NSS)

1шт.

18

1273592C1

CIRCLIP,M11

RING, snap

2шт.

19

31121R1

LOCK PIN,M6 x 26, Slotted

PIN, 6 x 26 mm pln slt spr

1шт.

20

1282739C1

STOP

valve

1шт.

21

1282741C1

RING

retaining

1шт.

22

17012R1

BALL,3/8" Dia

1шт.

23

1282742C1

STOP

SEAT, spring

1шт.

24

1282743C1

VALVE SPRING

SPRING, stop

1шт.

25

1282744C1

ADJUSTER

1шт.

26

1282745C1

PLATE ASSY.

PLATE, stopper

1шт.

27

1282748C1

NUT

lock

1шт.

28

1282749C1

O-RING

O-RING

2шт.

Выбрано товаров: 29