Запчасти Case IH 234 (10-14) - HYDRAULICS, HYDRAULIC CONTROLS, 234 WITH GEAR DRIVE TRANSMISSION (07) - HYDRAULICS

Схема запчастей Case IH 234 - (10-14) - HYDRAULICS, HYDRAULIC CONTROLS, 234 WITH GEAR DRIVE TRANSMISSION (07) - HYDRAULICS
12
2
5
8
3
11
7
6
9
3
10
4
FIT
1:1
100%

Артикул

Название

Примечание

Количество

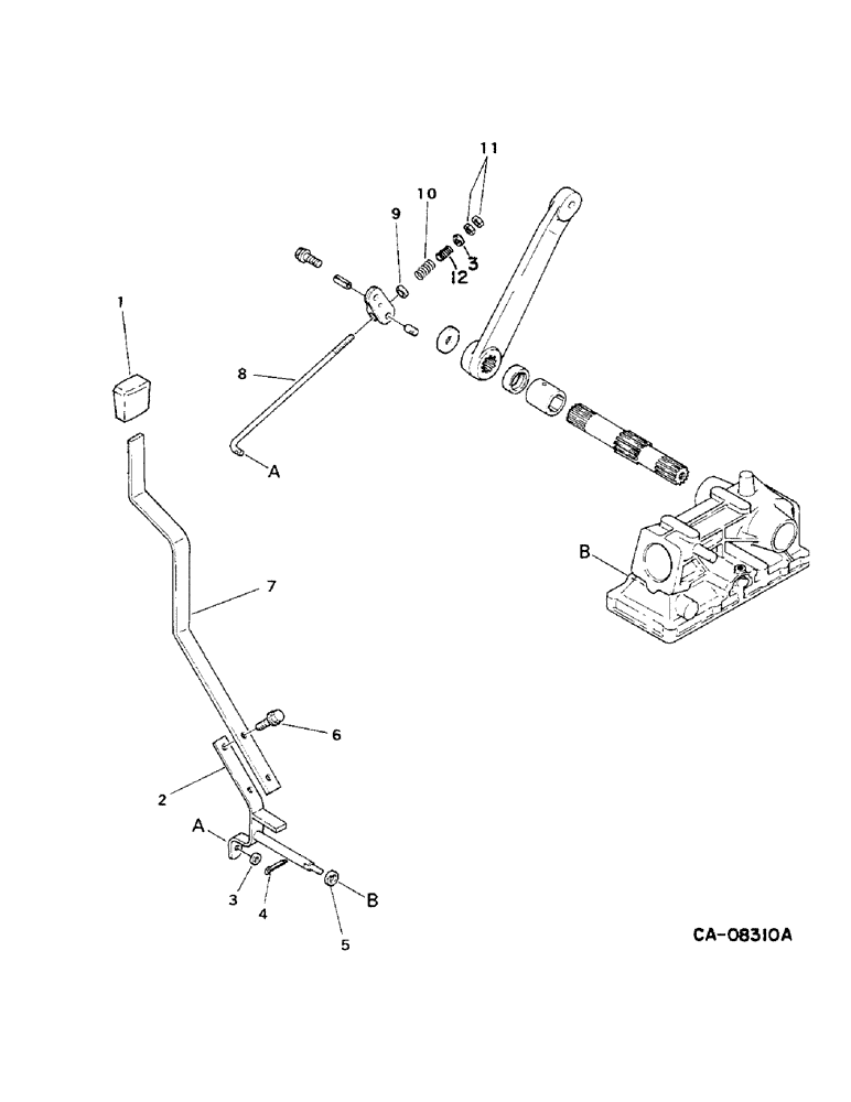
1

1273379C1

KNOB

1шт.

2

1271810C1

LEVER

control

1шт.

3

934948R1

WASHER,M6

6.4 x 12.5 x 1.6 mm

2шт.

4

934788R1

COTTER PIN,M2 x 16

PIN, 2 x 16 mm pln cot.

1шт.

5

1273178C1

OIL SEAL

SEAL, oil

1шт.

6

814-8016

BOLT,Hex, M8 x 1.25 x 16mm, Cl 8.8, Full Thd

2шт.

934309R1

LOCK WASHER,M8

WASHER, 8 mm lock

2шт.

7

1271811C2

SUPPORT

(lever)

1шт.

8

1271812C1

ROD

1шт.

9

1271813C1

WASHER

(collar)

1шт.

10

1273645C1

VALVE SPRING

SPRING

1шт.

11

30281R1

NUT,M6, Cl 10

M6 class 10

2шт.

12

1271733C1

VALVE SPRING

SPRING, serial no. 008820 and above

1шт.

Выбрано товаров: 13