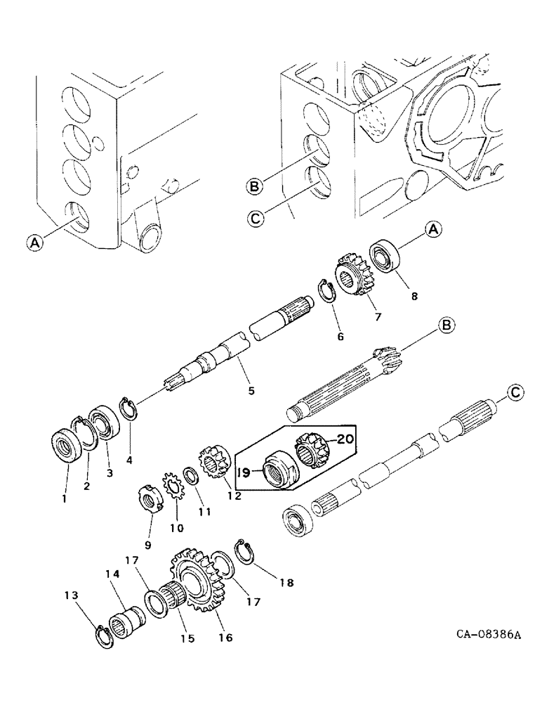
Запчасти Case IH 254 (07-15) - DRIVE TRAIN, FRONT DRIVE PTO, 244 AND 254, FOUR WHEEL DRIVE (04) - Drive Train

Схема запчастей Case IH 254 - (07-15) - DRIVE TRAIN, FRONT DRIVE PTO, 244 AND 254, FOUR WHEEL DRIVE (04) - Drive Train
3
19
20
11
16
17
1
17
12
10
6
9
2
15
14
8
13
4
5
18
7
FIT
1:1
100%

Артикул

Название

Примечание

Количество

1

1273323C1

OIL SEAL

SEAL, oil

1шт.

2

933032R1

SNAP RING,M52, Int

RING, 55.74 mm int ret

1шт.

3

1271857C91

BEARING, BALL

BEARING ASSY

1шт.

4

933128R1

SNAP RING,M25, Ext

RING, 22.78 mm ext ret

1шт.

5

1269405C1

SHAFT HOUSING

SHAFT

1шт.

6

933128R1

SNAP RING,M25, Ext

RING, 22.78 mm ext ret

1шт.

7

1269400C1

GEAR WHEEL

GEAR, 24T

1шт.

8

1271862C91

BEARING, BALL

BEARING ASSY

1шт.

9

31098R1

LOCK NUT,M20 x 1, Bearing

NUT, M20 x 1 bearing lock

1шт.

10

31100R1

LOCK WASHER

M20 bearing lock

1шт.

11

1269401C1

WASHER

1шт.

12

1269402C1

GEAR WHEEL

GEAR, 17T, order gear, 1282639C1

1шт.

13

933128R1

SNAP RING,M25, Ext

RING, 22.78 mm ext ret

1шт.

14

1269403C1

HUB

1шт.

15

1273331C91

NEEDLE BEARING

BEARING, needle

1шт.

16

1269404C1

GEAR WHEEL

GEAR, 38T

1шт.

17

1273324C1

WASHER

2шт.

18

933029R1

SNAP RING,M35, Ext

RING, 31.7 mm ext ret

1шт.

19

1282638C1

NUT

gear, synchromesh transmission only

1шт.

20

1282639C1

GEAR WHEEL

GEAR, 17T

1шт.

Выбрано товаров: 20