Запчасти Case IH 254 (10-09) - HYDRAULICS, HYDRAULIC SUPPLY, WITH POWER STEERING, CONSTANT MESH GEAR TRANSMISSION (07) - HYDRAULICS

Схема запчастей Case IH 254 - (10-09) - HYDRAULICS, HYDRAULIC SUPPLY, WITH POWER STEERING, CONSTANT MESH GEAR TRANSMISSION (07) - HYDRAULICS
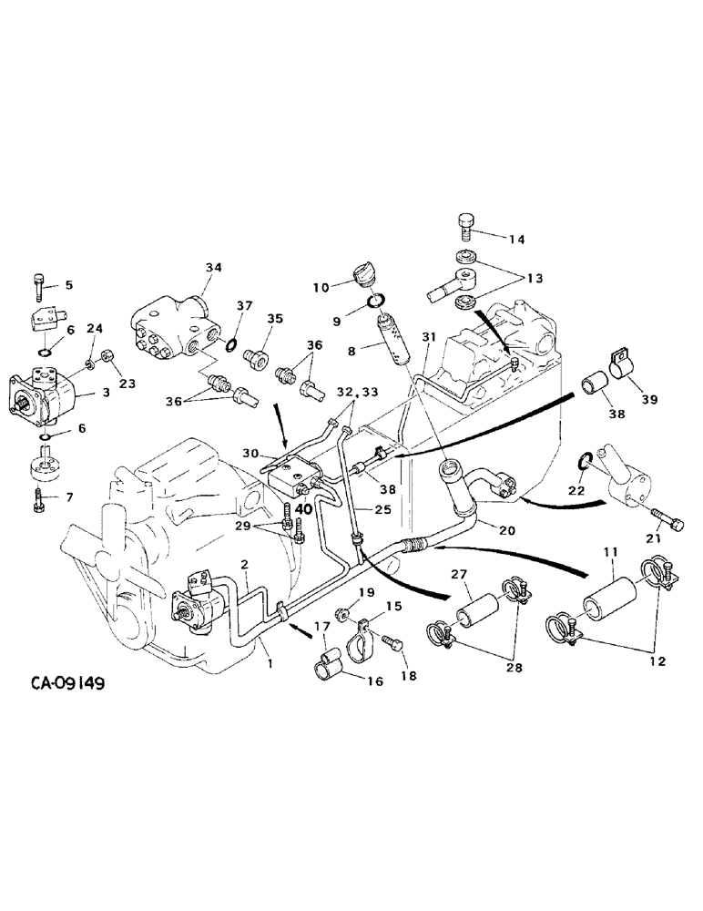
32
24
38
6
1
34
38
11
16
3
17
28
5
40
18
7
15
12
33
14
6
9
20
27
13
21
39
31
19
23
30
22
25
36
2
29
37
8
10
35
36
FIT
1:1
100%

Артикул

Название

Примечание

Количество

1

1282975C1

TUBE,773, 293 mm Length

suction A

1шт.

2

1282976C1

TUBE

pressure A

1шт.

3

1282801C1

PUMP

ASSY, hydraulic

1шт.

4

(Not used this application)

1шт.

5

30516R1

BOLT,Hex, M6 x 1 x 50mm, Cl 8.8

M6 x 50 mm class 8.8

3шт.

933833R1

LOCK WASHER,M6

WASHER, 6 mm lock

3шт.

6

1269871C1

O-RING,17.8mm ID x 2.4mm Width

2шт.

7

86977789

BOLT,Hex, M6 x 1.0 x 35mm, Cl 8.8

4шт.

933833R1

LOCK WASHER,M6

WASHER, 6 mm lock

4шт.

8

1273138C1

STRAINER ELEMENT

FILTER, oil

1шт.

9

1269881C1

O-RING

O-RING

1шт.

10

1273411C1

PLUG

filter

1шт.

11

HOSE, furnish 2.75 in./70 mm from bulk roll marked, 637728C1

1шт.

12

681896C1

HOSE CLAMP,#20, .81/1.75 Type F Worm, W/liner

CLAMP, no. 20 shoe type hose

2шт.

13

1282713C1

SEALING WASHER

SEAL, washer

2шт.

14

1282526C1

BOLT,M16 x 1.5 x 30mm

BOLT, union

1шт.

15

1273415C1

CLAMP

tube

1шт.

16

1273416C1

HOSE,25.00 mm ID x 35.00 mm

- Cushion, Tube 25.00 mm ID x 35.00 mm

1шт.

17

1273417C1

HOSE,10.00 mm ID x 35.00 mm

- Cushion, Tube 10.00 mm ID x 35.00 mm

1шт.

18

1273394C1

BOLT,Hex, M10 x 1.25 x 25mm

1шт.

19

825-11410

NUT,M10 x 1.25, Cl 8

flange

1шт.

20

1273418C1

TUBE

suction B

1шт.

21

43130

BOLT,Hex, M8 x 1.25 x 50mm, Cl 8.8

M8 x 50 class 8.8

3шт.

934309R1

LOCK WASHER,M8

WASHER, 8 mm lock

3шт.

22

1269875C1

O-RING

1шт.

23

30167R1

NUT,M8, Cl 10

M8 PHC class 10

4шт.

24

934309R1

LOCK WASHER,M8

WASHER, 8 mm lock

4шт.

25

1282977C1

TUBE

return

1шт.

26

(Not used this application)

1шт.

27

1275159C2

HYDRAULIC HOSE,11.00 mm ID x 65.00 mm

11.00 mm ID x 65.00 mm

1шт.

28

27860R1

HOSE CLAMP,#06, .44/.78 Type F Worm, W/liner

CLAMP, No. 6 shoe type F hose

2шт.

29

30335R1

BOLT,Hex, M6 x 1 x 55mm, Cl 8.8

M6 x 55 pln class 8.8

2шт.

933833R1

LOCK WASHER,M6

WASHER, 6 mm lock

2шт.

30

1275151C1

PIPE

1шт.

31

1275152C1

TUBE

PIPE

1шт.

32

1275154C1

NUT

2шт.

33

1275155C1

SLEEVE

2шт.

34

1275156C91

LOCK VALVE

VALVE ASSY, flow divider, for components see detail list

1шт.

35

1275157C2

UNION

NUT, union

2шт.

36

1275158C1

COUPLING

3шт.

37

1269874C1

O-RING

O-RING

2шт.

38

HOSE, 3/8 ID x 11/16 OD rubber, furnish 1.57 in./40 mm from a bulk roll marked, 364357C1

1шт.

39

1273693C1

CLAMP

1шт.

40

103885

PLUG,Slotted, 3/8" NPT

3/8 pln slt/hdl pipe

1шт.

1273407C1

SEAL KIT

o-ring and seal repair, for pump, 1282801C1, consists of seal, oil (NSS), o-ring (4) (NSS), o-ring (NSS), o-ring (NSS)

1шт.

Выбрано товаров: 45