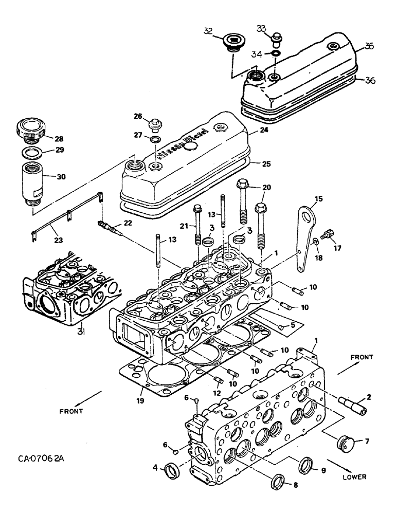
Запчасти Case IH 274 (12-04) - POWER, DIESEL ENGINE, NISSAN, CYLINDER HEAD AND CONNECTIONS Power

Схема запчастей Case IH 274 - (12-04) - POWER, DIESEL ENGINE, NISSAN, CYLINDER HEAD AND CONNECTIONS Power
23
6
10
36
13
1
34
9
26
27
10
3
3
25
8
29
20
4
35
21
18
22
6
1
2
17
10
31
5
10
32
7
28
24
30
15
10
19
13
12
33
FIT
1:1
100%

Артикул

Название

Примечание

Количество

1

1058008C91

HEAD

ASSY, cylinder, composed of

1шт.

Engine serial number 009556 and below

1шт.

2

574997C1

GUIDE

PIPE, push rod

6шт.

3

478103C1

PLUG

upper, replaces 1058363C1

5шт.

4

1433045R1

PLUG

rear, replaces 478081C1

1шт.

5

478083C1

PLUG

taper

3шт.

Engine serial number 009556 and below

1шт.

6

478083C1

PLUG

taper

2шт.

7

478099C1

CHAMBER

3шт.

8

478100C1

SEAT

exhaust valve

3шт.

9

478101C1

SEAT

intake valve

3шт.

10

478104C1

STUD

intake & exhaust manifold

5шт.

11

(Not used this application)

1шт.

12

1436024R1

STUD

intake manifold replaces 486345C1

1шт.

13

1058341C1

STUD

rocker shaft

2шт.

14

(Not used this application)

1шт.

15

1058000C2

TAPPET

LIFTER, engine rear

1шт.

16

(Not used this application)

1шт.

17

478542C1

BOLT

M8 x 200mm, replaces 487296C1

2шт.

1058388C1

WASHER

M8 lock

2шт.

18

1058390C1

WASHER

1шт.

Engine serial number 009556 and below

1шт.

19

1438443R1

GASKET

cyliner head, replaces 1058009C1

1шт.

Engine S/N 9556 and below Needs 8 O-Rings (1058009C1). Engine S/N 9557 and above, has O-Rings built into the gasket.

1шт.

20

478107C1

BOLT

cylinder head

8шт.

21

478106C1

BOLT

sub

6шт.

22

478006C1

PLUG

glow

3шт.

23

1058011C1

CABLE

ASSY, glow plug

1шт.

24

1058066C1

COVER ASSY

COVER, rocker

1шт.

Engine serial number 009556 and below

1шт.

25

1058067C1

GASKET

rocker cover

1шт.

Engine serial number 009556 and below

1шт.

26

1058342C1

NUT

cover

2шт.

Engine serial number 009556 and below

1шт.

27

1058338C1

SEAL

O-RING, rocker cover

2шт.

Engine serial number 009556 and below

1шт.

28

1437754R1

CAP

filler

1шт.

Engine serial number 009556 and below

1шт.

29

1058096C1

GASKET

filler cap

1шт.

Engine serial number 009556 and below

1шт.

30

1058092C2

PIPE

TUBE, oil filler

1шт.

Engine serial number 009556 and below

1шт.

31

1438442R91

HEAD

ASSY, cylinder, composed of ref. nos. 2, 3, 4, 6, 7, 8, and 9

1шт.

Engine serial number 009557

1шт.

32

1438441R1

CAP

filler

1шт.

Engine serial number 009557

1шт.

33

1438699R1

NUT

cover

2шт.

Engine serial number 009557

1шт.

34

1438700R1

RING

O-RING, rocker cover

2шт.

Engine serial number 009557

1шт.

35

1438439R1

COVER

rocker

1шт.

Engine serial number 009557

1шт.

36

1438440R1

GASKET

rocker cover

1шт.

Engine serial number 009557

1шт.

Выбрано товаров: 54