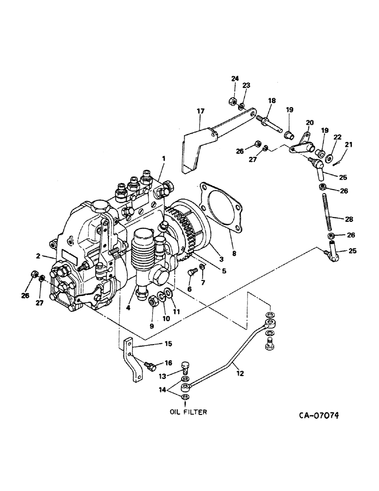
Запчасти Case IH 274 (12-25) - POWER, DIESEL ENGINE, NISSAN, FUEL INJECTION PUMP AND CONNECTIONS, INJECTION PUMP AND FITTING PARTS Power

Схема запчастей Case IH 274 - (12-25) - POWER, DIESEL ENGINE, NISSAN, FUEL INJECTION PUMP AND CONNECTIONS, INJECTION PUMP AND FITTING PARTS Power
5
11
26
17
21
8
15
4
23
18
3
27
2
19
12
26
26
27
25
14
24
22
13
28
20
6
26
25
9
10
1
16
19
7
FIT
1:1
100%

Артикул

Название

Примечание

Количество

1058215C91

PUMP

ASSY, fuel injection, composed of ref. 1 - 7

1шт.

1

1058187C91

FUEL INJECTION PUMP

PUMP ASSY, for components see list of parts under details of fuel injection pump, inner parts

1шт.

2

1058242C91

GOVERNOR

ASSY, for components see list of parts under details of governor

1шт.

3

1058216C91

CONTROL

TIMER ASSY, automatic, for components see list of parts under details of automatic timer, inner parts

1шт.

4

1058169C91

PUMP

ASSY, feed, for components see list of parts under detail of feed pump, inner parts

1шт.

5

478292C1

PINION

GEAR, drive

1шт.

6

30191R1

BOLT,Hex, M6 x 1 x 12mm, Cl 10.9, Full Thd

M6 x 12 PHC class 10.9

1шт.

7

1058392C1

WASHER

M6 int-tooth lock

6шт.

8

1058185C1

GASKET

injection

1шт.

9

30168R1

NUT,M10, Cl 10

M10 PHC class 10, replaces 478252C1

4шт.

10

1058389C1

WASHER

M10 lock

4шт.

11

978080C1

WASHER

M10 x M18 x M1.6

4шт.

12

1058084C1

TUBE

ASSY, oil

1шт.

13

1058361C1

EYE

BOLT, eye

1шт.

15

1058268C1

LEVER

sub

1шт.

14

486811C1

GASKET

2шт.

16

478176C1

BOLT

WITH WASHER, M6 x 16 mm

2шт.

17

1058240C1

BRACKET

control lever

1шт.

18

1058239C1

SHAFT

control lever

1шт.

19

1058238C1

BUSHING

nylon

2шт.

20

1058272C1

LEVER

control

1шт.

21

PIN, cot, purchase locally

1шт.

22

1058390C1

WASHER

1шт.

23

1058388C1

WASHER

M8 lock

1шт.

24

30167R1

NUT,M8, Cl 10

Replaces 478127C1 M8, Cl 10

1шт.

25

1058236C1

JOINT

ASSY, ball

2шт.

26

30208R1

NUT,M6, Cl 10

M6 PHC class 10

4шт.

27

978084C1

WASHER

M6 lock

2шт.

28

1058235C1

ROD

control

1шт.

Выбрано товаров: 29