Запчасти Case IH 274 (07-01) - DRIVE TRAIN, CLUTCH, CLUTCH HOUSING AND CONNECTIONS (04) - Drive Train

Схема запчастей Case IH 274 - (07-01) - DRIVE TRAIN, CLUTCH, CLUTCH HOUSING AND CONNECTIONS (04) - Drive Train
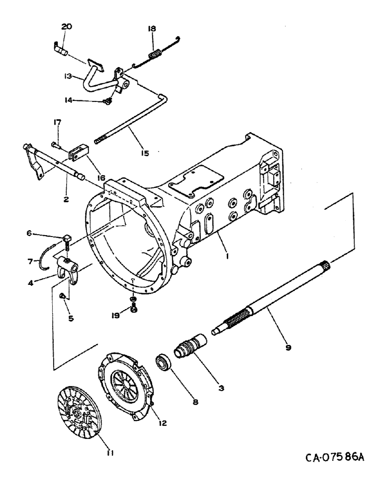
17
3
1
20
9
8
19
6
13
5
11
2
4
15
18
7
12
14
FIT
1:1
100%

Артикул

Название

Примечание

Количество

1

1434098R1

HOUSING

clutch, replaces 1430581R1

1шт.

1014922C1

BOLT

front M10 x 45

8шт.

1104948C1

BOLT

front M10 x 35

6шт.

1017033C1

BOLT

front M10 x 60

2шт.

980494C1

NUT

M10

2шт.

1012982C1

BOLT

rear M12 x 35

10шт.

2

1058729C1

SHAFT

clutch fork

1шт.

3

973720C1

SLEEVE

BLOCK, shifter

1шт.

4

973721C1

FORK

clutch

1шт.

5

973722C1

AXLE PIN

PIN

2шт.

6

1014363C1

BOLT

M10 x 25 set

1шт.

7

1014364C1

ELECTRICAL WIRE

WIRE

1шт.

8

973723C1

BALL BEARING,38.1 mm ID x 67 mm OD x 16.5 mm

release

1шт.

9

1061511C3

SHAFT

clutch

1шт.

10

(Not used this application)

1шт.

11

1062027C2

CLUTCH DISC

DISC, clutch

1шт.

12

1062036C1

PLATE ASSY.

PLATE, pressure

1шт.

1062019C1

BOLT

2шт.

978098C1

BOLT,Hex, M8 x 1.25 x 20mm

M8 x 20

4шт.

897948C1

WASHER

M8 lock

6шт.

13

1431612R1

PEDAL, clutch, serial no. 008473 & below

1шт.

13

1433984R1

PEDAL

clutch, serial no. 008474 & above

1шт.

14

1005530C1

FITTING

serial no. 008473 & below

1шт.

15

1060893C1

ROD

clutch, serial no. 008473 & below

1шт.

15

1061983C1

ROD

clutch, serial no. 008474 & above

1шт.

16

1013756C1

YOKE

1шт.

17

1013758C1

PIN, 12 x 35

1шт.

1004527C1

WASHER

M12 x M22 x M2.3

2шт.

1014976C1

PIN

3 x 20 cot.

2шт.

18

1060899C1

SPRING

return, serial no. 008473 & below

1шт.

18

973824C1

VALVE SPRING

SPRING, return, serial no. 008474 & above

1шт.

19

1014963C1

PLUG

1шт.

1014994C1

GASKET

WASHER

1шт.

20

984380C1

AXLE PIN

PIN, clutch pedal

1шт.

980496C1

BOLT,M8

BOLT, M8 x 16

1шт.

25552R1

WASHER,.344" x 1" x .098", HDN

.344 x 1.000 x .098 PHC hdn

1шт.

Выбрано товаров: 0