Запчасти Case IH 274 (07-04) - DRIVE TRAIN, TRANSMISSION (04) - Drive Train

Схема запчастей Case IH 274 - (07-04) - DRIVE TRAIN, TRANSMISSION (04) - Drive Train
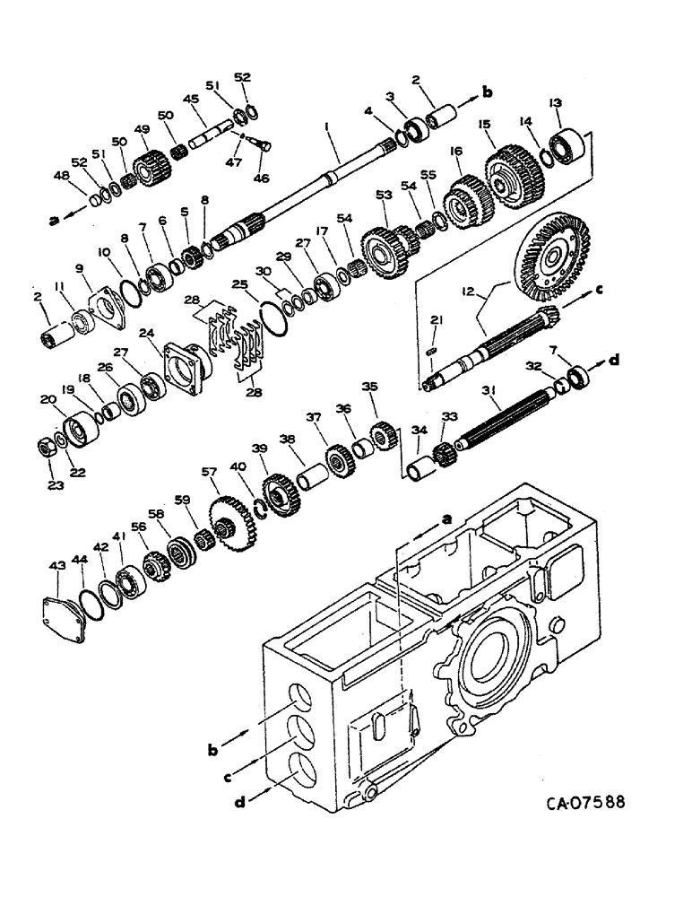
30
2
20
47
8
26
49
7
57
50
48
15
1
28
25
27
44
39
18
56
41
4
31
14
42
59
37
55
54
51
23
24
58
7
28
33
43
5
22
11
16
45
34
13
53
32
40
10
17
29
2
54
19
38
27
46
52
12
8
52
50
6
51
3
9
35
36
21
FIT
1:1
100%

Артикул

Название

Примечание

Количество

1

973591C1

SHAFT

input

1шт.

2

973592C2

COUPLING

serial no. 008473 & below

2шт.

2

1062119C2

COUPLING

serial no. 008474 & above

2шт.

3

ST225B

BALL BEARING,25 mm ID x 52 mm OD x 13 mm

BEARING, ball

1шт.

4

1062179C1

SNAP RING,M25, Ext

RING, snap

1шт.

5

973594C2

GEAR

input

1шт.

6

973593C1

SPACER

1шт.

7

ST213

BALL BEARING,30 mm ID x 62 mm OD x 16 mm

BEARING, ball

2шт.

8

1002932C1

RING, SNAP

2шт.

9

973557C1

COVER

input

1шт.

1014920C1

BOLT

M8 x 18

3шт.

10

973989C1

O-RING

1шт.

11

973558C1

OIL SEAL

SEAL, oil

1шт.

12

1060057C91

SHAFT

set

1шт.

13

12331VA

BALL BEARING,1.378" ID x 2.8346" OD x 1.0625"

BEARING, ball

1шт.

14

1002931C1

RING

snap

1шт.

15

973603C2

GEAR WHEEL

GEAR, slide 1st-2nd

1шт.

16

973604C2

GEAR

slide 3rd-4th

1шт.

17

973577C3

SPACER

1шт.

18

973578C1

SPACER

1шт.

19

973991C1

RING, SNAP

O-RING

1шт.

20

973579C1

BRAKE

DRUM, brake

1шт.

21

979812C1

KEY

7 x 7 x 20

1шт.

22

1014799C1

WASHER

tub

1шт.

23

1014950C1

NUT

M24 NF

1шт.

24

973606C2

RETAINER

main

1шт.

980498C1

BOLT (SPREADER)

BOLT, M10 x 30

4шт.

25

973988C1

O-RING

1шт.

26

973559C1

OIL SEAL

SEAL, oil

1шт.

27

680151C1

BALL BEARING

2шт.

28

973598C1

SHIM

0.05mm, tractors w/serial no. 0082329 and below

1шт.

28

973601C1

SHIM

0.2mm, tractors w/serial no. 0082329 and below

1шт.

28

973600C1

SHIM

0.3mm, tractors w/serial no. 0082329 and below

1шт.

28

973599C1

SHIM

0.5mm, tractors w/serial no. 008329 and below

1шт.

28

1434178R1

SHIM

2.0mm, tractors w/serial no. 008330 and above

1шт.

29

973935C1

SPACER

8.66mm

1шт.

29

973936C1

SPACER

8.68mm

1шт.

29

973937C1

SPACER

8.70mm

1шт.

29

973938C1

SPACER

8.72mm

1шт.

29

973939C1

SPACER

8.74mm

1шт.

30

1060512C1

SHIM

0.3mm

1шт.

30

1003950C2

SHIM

0.1mm

1шт.

31

1061191C2

SHAFT

COUNTERSHAFT

1шт.

1061191C2 used on units S/N83 and prior. 1433569R1 used on units above S/N 8330

1шт.

32

973593C1

SPACER

1шт.

33

973585C3

GEAR

1st

1шт.

34

973583C2

SPACER

1шт.

35

973586C2

GEAR

2nd

1шт.

36

973580C1

SPACER

1шт.

37

973587C2

GEAR WHEEL

GEAR, 3rd

1шт.

38

973581C1

SPACER

1шт.

39

1061192C2

GEAR

4th

1шт.

40

1004860C1

RING

2шт.

41

ST241

BALL BEARING,30 mm ID x 72 mm OD x 19 mm

BEARING, ball

1шт.

42

1002973C1

SHIM

0.2 mm

1шт.

42

1002974C1

SHIM

0.5 mm

1шт.

42

1002975C1

SHIM

1.0 mm

1шт.

43

973565C1

COVER

countershaft

1шт.

1014920C1

BOLT

M8 x 18

1шт.

44

973990C1

O-RING

1шт.

45

973992C1

SHAFT

reverse

1шт.

46

973993C1

BOLT,Set, Hex, M10 x 1.5 x 45mm

BOLT, set

1шт.

47

979819C1

WASHER

seal

1шт.

48

973997C1

PLUG

1шт.

49

973346C2

GEAR WHEEL

GEAR, reverse

1шт.

50

973994C1

BEARING

needle

2шт.

51

973995C2

THRUST WASHER

thrust

2шт.

52

988839C1

RING, SNAP

2шт.

53

1061193C1

GEAR WHEEL

GEAR, hi-lo

1шт.

54

1002977C2

BEARING, NEEDLE,30mm ID x 35mm OD x 20mm

2шт.

55

973562C3

SPACER

1шт.

56

1061194C3

GEAR

25T

1шт.

57

1061195C1

GEAR WHEEL

GEAR, 39T

1шт.

58

1061196C3

SLEEVE

1шт.

59

1061197C2

HUB

shifter

1шт.

Выбрано товаров: 75