Запчасти Case IH 274 (07-12) - DRIVE TRAIN, REAR AXLE AND FINAL REDUCTION (04) - Drive Train

Схема запчастей Case IH 274 - (07-12) - DRIVE TRAIN, REAR AXLE AND FINAL REDUCTION (04) - Drive Train
6
40
42
19
21
15
8
39
5
38
3
25
35
32
30
28
36
27
19
3
16
12
29
2
13
33
1
24
31
40
18
26
9
20
22
17
7
23
41
11
10
18
34
12
37
14
4
17
FIT
1:1
100%

Артикул

Название

Примечание

Количество

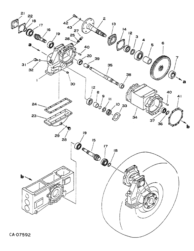
1

1432834R1

CASE

drop RH, tractors w/serial no. 008364 and below

1шт.

1

1434080R1

CASE

drop RH, tractors w/serial no. 008365 and above

1шт.

1

1430660R1

CASE, drop LH, tractors w/serial no. 008364 and below

1шт.

1

1434081R1

CASE

drop LH, tractors w/serial no. 008365 and above

1шт.

1062772C1

BOLT

M12 x 60

16шт.

2

1060863C1

SHAFT

rear axle

2шт.

3

1060038C1

SPACER

2шт.

4

1057850C1

BEARING

ball

2шт.

5

1061128C1

SPACER

2шт.

6

1060867C1

GEAR

final driven

2шт.

7

1062781C1

BEARING

ball

2шт.

8

1061129C1

COLLAR

2шт.

9

1014374C1

O-RING

2шт.

10

1057854C1

NUT

bearing lock

2шт.

11

1057855C1

WASHER

tab

2шт.

12

1002981C1

OIL SEAL

SEAL, oil

2шт.

13

1060041C1

RETAINER

rear axle

2шт.

980498C1

BOLT (SPREADER)

BOLT, M10 x 30

8шт.

14

1061130C1

GASKET

2шт.

15

1060864C1

GEAR

final drive LH, tractors w/serial no. 008364 and below

1шт.

15

1434077R1

GEAR

final drive LH, tractors w/serial no. 008365 and above

1шт.

16

1060865C1

GEAR, final drive RH, tractors w/serial no. 008364 and below

1шт.

16

1434076R1

SHAFT

GEAR, final drive RH, tractors w/serial no. 008365 and above

1шт.

17

1057849C1

BALL BEARING

ball, tractors w/serial no. 08364 and below

2шт.

17

1057478C1

BEARING

ball, tractors w/serial no. 008365 and above

2шт.

18

1014353C1

RING

snap, tractors w/serial no. 008364 and below

2шт.

19

1057478C1

BEARING

ball

2шт.

20

1060055C1

OIL SEAL

oil

2шт.

21

1060725C1

COVER

tractors w/serial no. 008364 and below

2шт.

21

1434075R1

COVER

tractors w/serial no. 008365 and above

2шт.

978098C1

BOLT,Hex, M8 x 1.25 x 20mm

M8 x 20

8шт.

22

1060726C1

GASKET

2шт.

23

1060723C1

COVER

drop case

2шт.

980490C1

BOLT

M8 x 25

20шт.

24

1060724C1

GASKET

drop case cover

2шт.

25

1060049C1

PLUG

oil filter

2шт.

26

1063743C1

OIL SEAL

O-RING

2шт.

27

897218C1

BREATHER

2шт.

28

979830C1

PLUG

2шт.

29

897433C1

WASHER

seal

2шт.

30

1006088C1

PLUG

2шт.

31

1063742C1

PLUG

tractors w/serial no. 008364 and below

2шт.

32

1063743C1

OIL SEAL

O-RING, tractors w/serial no. 008364 and above

2шт.

33

1060366C2

SHIELD

PROTECTOR SEAL

2шт.

1012976C1

BOLT

M8 x 12

4шт.

980491C1

WASHER

M8 x M16 x M1.2

4шт.

34

1430521R1

HOUSING, rear axle, tractors w/o diff lock S/N 008365 and below

1шт.

34

1434106R1

HOUSING

rear axle, tractors w/o diff lock S/N 008366> and above

1шт.

1062772C1

BOLT

M12 x 60

8шт.

34

1430580R1

HOUSING, rear axle, tractors w/diff lock S/N 008365 and below

1шт.

34

1434107R1

HOUSING

rear axle, tractors w/diff lock S/N 008366 and above

1шт.

1062772C1

BOLT

M12 x 60

6шт.

86508581

BOLT,Hex, M12 x 90mm, Cl 8.8

M12 x 90

2шт.

35

1060006C1

SHAFT

1шт.

36

1011887C1

RING

snap

1шт.

37

1057848C1

BEARING

1шт.

38

1060056C1

SEAL

oil

1шт.

39

1060037C1

COUPLING

1шт.

40

1014967C1

PIN

2шт.

1014994C1

GASKET

WASHER

2шт.

41

973639C2

GASKET

rear axle

2шт.

42

1012988C1

BOLT

M16 x 30, rear axle hub

12шт.

43

25547R1

WASHER,21/32" x 1 5/16" x .188", HDN

.656 x 1.312 x .188 PHC hdn

12шт.

517098R1

SPROCKET ASSY.

1шт.

Taken from note inside cover of hard copy book

1шт.

Выбрано товаров: 65