Запчасти Case IH 274 (07-14) - DRIVE TRAIN, POWER TAKE-OFF (04) - Drive Train

Схема запчастей Case IH 274 - (07-14) - DRIVE TRAIN, POWER TAKE-OFF (04) - Drive Train
30
11
2
1
24
29
18
17
26
7
5
31
12
15
29
14
25
32
6
10
8
21
20
16
22
19
13
23
27
4
28
9
26
3
FIT
1:1
100%

Артикул

Название

Примечание

Количество

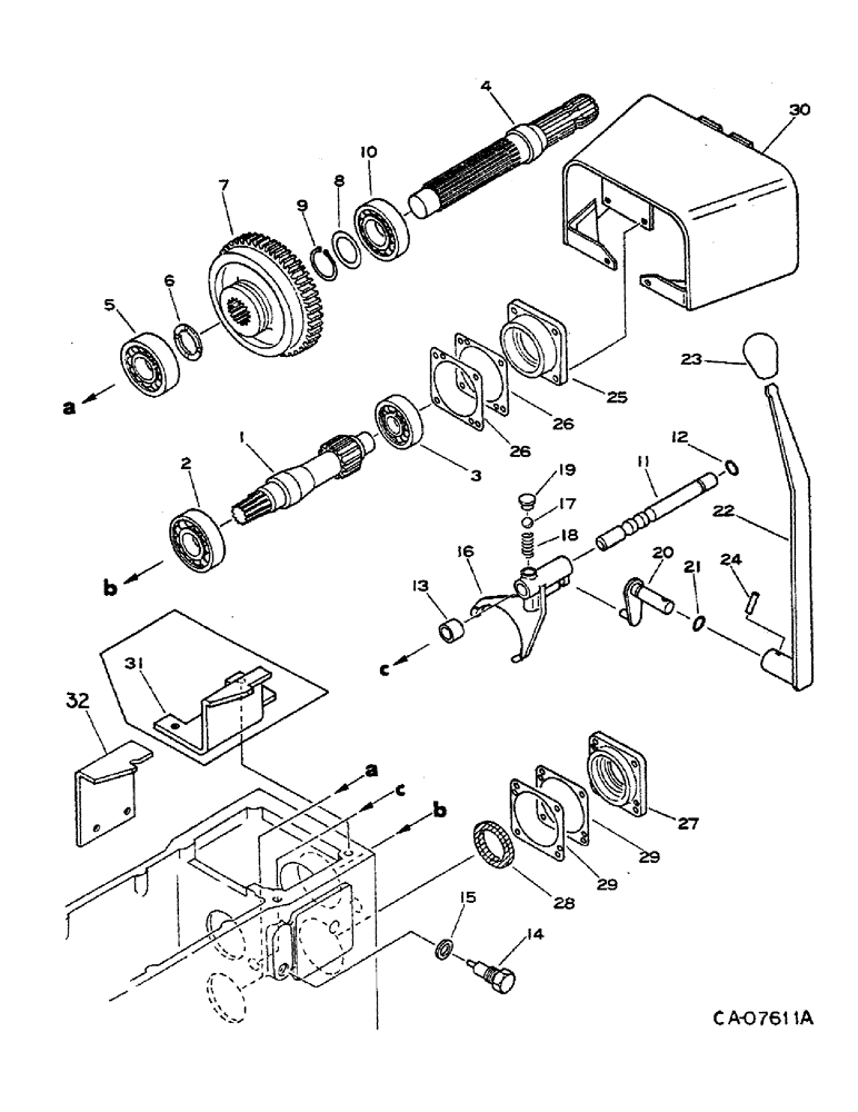
1

1430579R1

SHAFT

input

1шт.

2

ST241

BALL BEARING,30 mm ID x 72 mm OD x 19 mm

BEARING, ball

1шт.

3

ST288

BEARING, BALL,25 mm ID x 62 mm OD x 17 mm

1шт.

4

1002788C1

SHAFT

output

1шт.

5

ST241

BALL BEARING,30 mm ID x 72 mm OD x 19 mm

BEARING, ball

1шт.

6

973562C3

SPACER

1шт.

7

1430578R1

GEAR

PTO slide

1шт.

Work on units prior to S/N 9040. These are replaced by 1436610R1 Gear Slide and 1436611R1 Link in units S/N9040 and above.

1шт.

8

1002795C1

WASHER

1шт.

9

1004860C1

RING

snap, replaces 1014982C1

1шт.

10

1002173C1

BEARING

ball

1шт.

11

1002786C2

ROD

shifter

1шт.

12

973987C1

RING

O-RING

1шт.

13

1430589R1

SPACER

1шт.

Work on units prior to S/N 9040. These are replaced by 1436610R1 Gear Slide and 1436611R1 Link in units S/N9040 and above.

1шт.

14

974438C1

BOLT,Set, Hex, M16 x 2 x 60mm

set

1шт.

15

978174C1

WASHER

GASKET

1шт.

16

974437C2

FORK

1шт.

17

17016R1

BALL,1/2" Dia

1шт.

18

973650C1

SPRING

1шт.

19

979805C3

PLUG

1шт.

20

973680C1

LEVER

LINK, PTO

1шт.

21

973987C1

RING

O-RING

1шт.

Work on units prior to S/N 9040. These are replaced by 1436610R1 Gear Slide and 1436611R1 Link in units S/N9040 and above.

1шт.

22

1432310R2

LEVER

PTO

1шт.

23

400072R1

BUTTON

KNOB, black

1шт.

24

1014964C1

PIN

7 x 24 spring

1шт.

25

973566C1

RETAINER

input PTO

1шт.

978098C1

BOLT,Hex, M8 x 1.25 x 20mm

M8 x 20

4шт.

26

973568C1

SHIM

0.25mm

1шт.

26

973569C1

SHIM

0.1mm

1шт.

27

1004415C1

COVER

output PTO

1шт.

978098C1

BOLT,Hex, M8 x 1.25 x 20mm

M8 x 20

4шт.

28

973572C1

OIL SEAL

SEAL, oil

1шт.

29

973574C1

SHIM

0.25mm

1шт.

29

973575C1

SHIM

0.1mm

1шт.

30

1002945C2

SHIELD

PTO shaft

1шт.

31

1432313R1

STOPPER, PTO, serial no. 008360 and below

1шт.

32

1434171R1

STOP

PER, PTO, serial no. 008361 and above

1шт.

980496C1

BOLT,M8

BOLT, M8 x 16

2шт.

Выбрано товаров: 40