Запчасти Case IH 274 (10-04) - HYDRAULICS, HYDRAULIC HOUSING AND CYLINDER (07) - HYDRAULICS

Схема запчастей Case IH 274 - (10-04) - HYDRAULICS, HYDRAULIC HOUSING AND CYLINDER (07) - HYDRAULICS
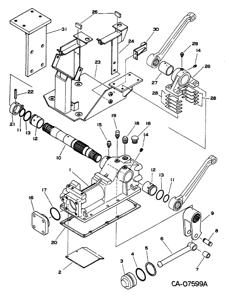
11
28
20
6
21
2
18
12
28
11
5
3
8
15
27
10
22
14
12
25
26
18
1
19
14
29
7
16
9
13
13
4
17
30
24
31
23
FIT
1:1
100%

Артикул

Название

Примечание

Количество

1

1431619R1

CASE, hydraulic, serial no. 008341 and below

1шт.

1

1435294R1

CASE

hydraulic, serial no. 008342 and above

1шт.

1104956C1

BOLT

M10 x 25

10шт.

980498C1

BOLT (SPREADER)

BOLT, M10 x 30

2шт.

989464C1

WASHER

M10 x M22 x M3.2

2шт.

2

1431614R2

PLATE

1шт.

980649C1

BOLT

M8 x 12

2шт.

3

973519C4

PISTON

hydraulic

1шт.

4

983823C1

O-RING,59.6mm ID x 5.7mm Width

O-RING

1шт.

5

1014372C1

RING

back-up

1шт.

6

973522C91

ROD

W/ BUSHING, order 1436623R1, tractors w/serial no. 009049 and below

1шт.

6

1436623R1

ROD

W/ BUSHING, tractors w/serial no. 009050 and above

1шт.

7

973524C1

BUSHING, rod, tractors w/serial no. 009049 and below

1шт.

8

973525C2

PIN

connecting

1шт.

1062179C1

SNAP RING,M25, Ext

RING, snap

2шт.

9

973526C5

ARM

inner

1шт.

10

1430606R1

SHAFT

hydraulic

1шт.

11

1057862C1

RING

O-RING

2шт.

12

1431626R2

BUSHING

2шт.

13

1014373C1

O-RING

2шт.

14

1004576C1

SCREW

3шт.

15

979823C1

FITTING

2шт.

16

1002864C1

COVER

hydraulic

1шт.

1012989C1

BOLT

M16 x 40

2шт.

1012990C1

BOLT

M16 x 45

2шт.

17

973988C1

O-RING

1шт.

18

444601

DRAIN PLUG,Sq Hd, 1"-11 1/2 NPTF

PLUG, 1 11-1/2 pln sq/hd auto pipe, or

1шт.

18

1434046R1

PLUG

plastic

1шт.

19

897218C1

BREATHER

1шт.

20

973515C2

GASKET

hydraulic case

1шт.

21

1060889C1

COLLAR

ASSY

1шт.

22

897041C1

PIN, 8 x 65 spring

1шт.

23

1431609R2

SUPPORT

shaft, serial no. 008365 and below

1шт.

1014925C1

BOLT

M14 x 30

2шт.

24

1431600R2

POST, LH, serial no. 008365 and below

1шт.

1012959C1

BOLT

M12 x 25

2шт.

1061819C1

WASHER

M12 x M26 x M1.6

2шт.

25

1430572R1

PLATE

serial no. 008365 and below

1шт.

26

1431166R1

BLOCK, shaft support, serial no. 008366 and above

1шт.

1012983C1

BOLT

M12 x 45

4шт.

1012729C1

WASHER

M12 x M26 x M3.2

4шт.

27

973528C4

BUSHING

1шт.

28

1430591R1

SHIM

0.05

1шт.

28

1430592R1

SHIM

0.1

1шт.

28

1430593R1

SHIM

0.5

1шт.

28

1430594R1

SHIM

1.0

1шт.

29

979823C1

FITTING

1шт.

30

1431607R1

BRACKET, battery, serial no. 008365 and below

1шт.

1014739R1

BOLT, M6 x 12

2шт.

31

1434382R1

SUPPORT

shaft, serial no. 008366 and above

1шт.

Выбрано товаров: 50