Запчасти Case IH 185 (05-01) - STEERING, FRONT AXLE AND CONNECTIONS (04) - STEERING

Схема запчастей Case IH 185 - (05-01) - STEERING, FRONT AXLE AND CONNECTIONS (04) - STEERING
9
10
4
9
2
7
8
8
8
5
7
8
1
9
5
6
3
10
9
6
FIT
1:1
100%

Артикул

Название

Примечание

Количество

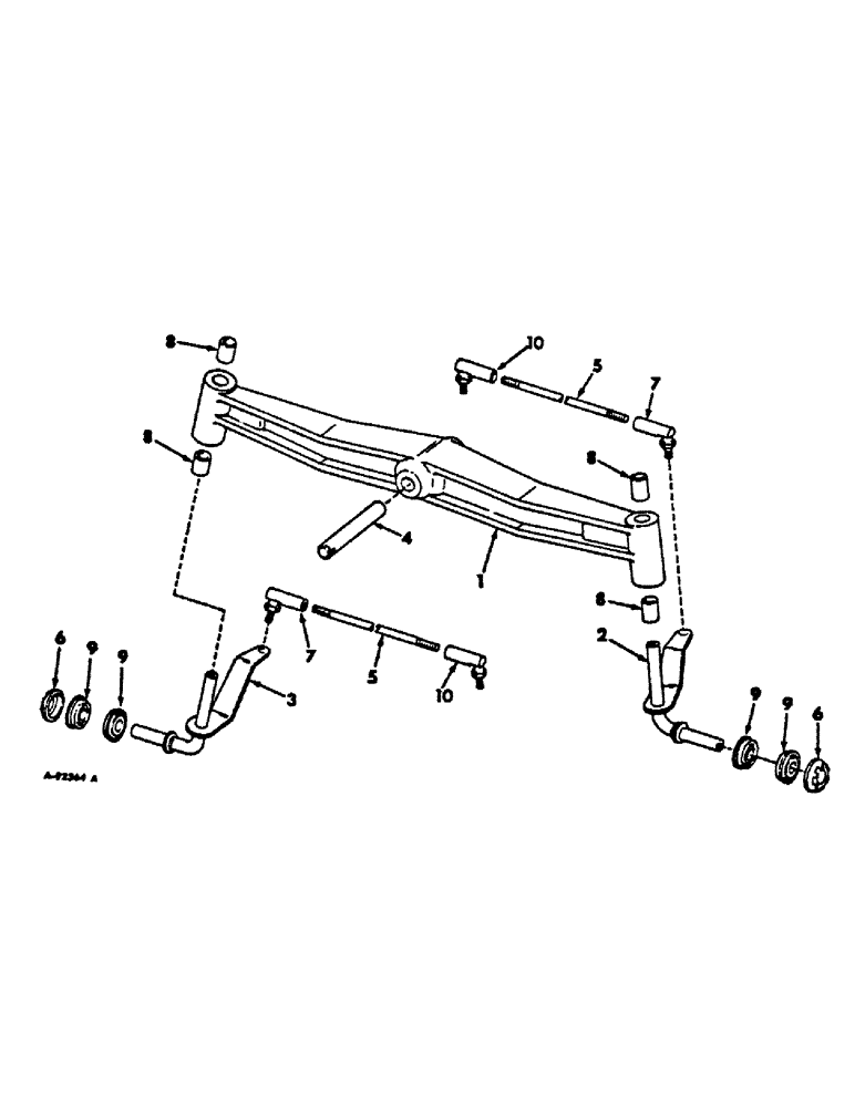
1

404540R21

AXLE ASSY, front

1шт.

80722

LUBE NIPPLE,3/16" x .55" lg, Drive

FITTING, 3/16 drive type str lub

3шт.

2

533922R2

STEERING KNUCKLE

KNUCKLE ASSY, steering LH

1шт.

180171

BOLT,Hex, 1/2" - 13 x 3/4", Gr 5

1/2 x 3/4 type 5

1шт.

38971H

WASHER, .531 x 1.750 x .090 pln

1шт.

3

533923R2

STEERING KNUCKLE

KNUCKLE ASSY, steering RH

1шт.

180171

BOLT,Hex, 1/2" - 13 x 3/4", Gr 5

1/2 x 3/4 type 5

1шт.

38971H

WASHER, .531 x 1.750 x .090 pln

1шт.

4

404541R1

PIN

front axle pivot

1шт.

617942R1

PIN,7.92mm OD x 57.15mm L, Coiled

1шт.

5

404546R1

ROD

tie, 13 inches

2шт.

6

404835R1

CAP

hub

2шт.

7

529431R1

JOINT

tie rod ball, outer, also order nut, 125250 & pin, 103375

2шт.

125250

SLOTTED NUT,1/2"-20, G8

NUT, 1/2-NF slt type 5

2шт.

25-158

JAM NUT,Jam, 1/2"-20, G5

1/2-NF jam type 5

2шт.

103375

COTTER PIN,3/32" x 1 1/4"

Pin, Split (Cotter), 3/32" x 1 1/4"

2шт.

8

351457R1

BUSHING,28.43mm ID x 28.63mm OD x 38.1mm L

front axle

4шт.

9

404836R91

BEARING, BALL

BEARING ASSY, wheel ball

4шт.

219-8

LUBE NIPPLE,1/4" - 28 NPTF

NIPPLE, LUBE, , PTF, Straight 1/4"-28 NPT x .54" lg

2шт.

529742R1

SCREW

self-locking hex-hd cap

2шт.

527383R1

WASHER

hub cap

2шт.

10

529430R1

JOINT

tie rod ball, inner

2шт.

125250

SLOTTED NUT,1/2"-20, G8

NUT, 1/2-NF slt type 5

2шт.

124934

HOSE

1/2-NF jam type 5

2шт.

103375

COTTER PIN,3/32" x 1 1/4"

Pin, Split (Cotter), 3/32" x 1 1/4"

2шт.

Выбрано товаров: 25