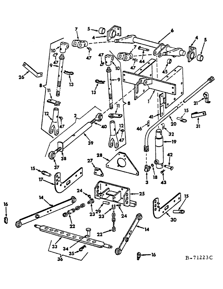
Запчасти Case IH 185 (09-05) - FRAME, THREE POINT HITCH, TRACTORS WITH HYDRAULIC LIFT (12) - FRAME

Схема запчастей Case IH 185 - (09-05) - FRAME, THREE POINT HITCH, TRACTORS WITH HYDRAULIC LIFT (12) - FRAME
15
15
25
6
6
12
47
43
38
11
1
45
21
17
37
31
4
10
15
26
44
28
35
4
14
47
42
39
19
18
13
24
9
36
20
41
47
23
16
3
29
5
47
30
33
13
11
47
23
22
32
34
12
7
22
9
5
24
7
8
47
2
40
27
14
16
10
46
FIT
1:1
100%

Артикул

Название

Примечание

Количество

1

406752R2

SUPPORT ASSY, rockshaft

1шт.

179879

BOLT,Hex, 1/2" - 13 x 3/4", Gr 5

6шт.

180177

BOLT,Hex, 1/2" - 13 x 1 1/2", Gr 5

1/2 x 1-1/2 type 5

2шт.

2

406745R91

LINK ASSY.

LINK ASSY, upper, consists of ref nos. 37 through 40 and two pins, 21000R1

1шт.

W5262

HEADED PIN,3/4" x 3"

PIN, 3/4 x 3 std-hd

1шт.

Q3434

PIN

3/4 x 3-1/4 std-hd

1шт.

520175R1

CLIP

PIN, quick attachable cot.

2шт.

3

9410976

ELBOW,90 Degree, 9/16"-18, 37 Degree x 9/16"-18, O-Ring

9/16-18 37 deg hyd flared tube adj str thd 90 deg

1шт.

4

406738R91

BEARING ASSY, rockshaft

2шт.

102637

NUT,1/2"-13, G5

4шт.

179884

BOLT,Hex, 1/2" - 13 x 1 3/8", Gr 5, Full Thd

1/2 x 1-3/8 pln type 5

4шт.

5

406737R1

BUSHING

2шт.

6

406742R1

ROCKSHAFT ASSY

1шт.

7

520126R1

PIVOT

SWIVEL, rockshaft arm

2шт.

W5262

HEADED PIN,3/4" x 3"

PIN, 3/4 x 3 std-hd

2шт.

432-1620

COTTER PIN,1/4" x 1 1/4"

Pin, Split (Cotter), 1/4" x 1 1/4"

2шт.

8

406753R91

LINK ASSY, lift, includes ref nos 9 through 12 and hardware

2шт.

9

406702R1

SCREW ASSY, leveling

2шт.

17271R1

LOCK PIN,1/8" x 7/8", Slotted

PIN, 1/8" x 7/8", Slotted

2шт.

PO17822

DOWEL

PIN, 5/16 x 4 std-hd

2шт.

NLS

NO LONGER SERVICED

no. 7 x 5/16 C-Z rd-hd drive

2шт.

10

520064R1

PIVOT

SWIVEL, lift link

2шт.

11

406700R1

LOCK ASSY, link

2шт.

12

520128R1

YOKE

HOUSING, leveling screw

2шт.

W5262

HEADED PIN,3/4" x 3"

PIN, 3/4 x 3 std-hd

2шт.

432-1620

COTTER PIN,1/4" x 1 1/4"

Pin, Split (Cotter), 1/4" x 1 1/4"

2шт.

13

520175R11

AXLE PIN

PIN ASSY, quick attachable cot.

2шт.

14

406760R1

LINK ASSY, lower

2шт.

15

406759R1

PIN

ASSY, lower link

3шт.

16

517758R91

SPLIT PIN/SAFETY PIN

PIN ASSY, lower link drawbar

2шт.

17

406810R1

BAR ASSY, lower link mtg LH

1шт.

480523R1

HAIR PIN COTTER

quick attachable

1шт.

179883

BOLT,Hex, 1/2" - 13 x 1 1/4", Gr 5

1шт.

103323

LOCK WASHER,1/2"

WASHER, LOCK, 1/2"

1шт.

271557

DEFLECTOR,Hex, 5/8" - 11 x 1 3/8", Gr 5

5/8 x 1-3/8 pln type 5

2шт.

103325

LOCK WASHER,5/8"

WASHER, LOCK, 5/8"

2шт.

18

364839R1

O-RING,0.078" Thk x 0.468" ID, -906, Cl 6, 90 Duro

6-1, 90 Duro, .468" ID x .078" Thk, 3/8 OD tube

1шт.

19

404897R91

CYLINDER

ASSY hyd 1-3/4 x 5 single acting, optional with 405794R92, for components see list of parts under details of hydraulic cylinder listing group 10

1шт.

19

405794R92

CYLINDER

ASSY, hyd 1-3/4 x 5 single acting, optional with 404897R91, for components see list of parts under details of hydraulic cylinder listing group 10

1шт.

20

200309H1

HOSE

ASSY, hydraulic

1шт.

21

406755R1

CLAMP, hose

1шт.

18404R1

CARRIAGE BOLT,Short Sq Nk, 1/4" - 20 x 5/8", Gr 2

BOLT, 1/4-20 x 5/8 sq-nk crg

1шт.

20244R1

LOCK NUT,1/4"-20

NUT, 1/4-20 znp nylon insert

1шт.

22

406878R1

CHAIN, limiter

2шт.

23

374434R1

CLEVIS

SHACKLE, limiter chain

2шт.

24

374435R1

PIN

chain shackle

2шт.

103373

COTTER PIN,3/32" x 3/4"

Pin, Split (Cotter), 3/32" x 3/4"

2шт.

PO11230

SPACER,3/8" Pipe x .406"

3/8 x 13/32 long std pipe

2шт.

21872R1

WASHER

.406 x .625 x .054

4шт.

21192R1

BOLT, 3/8-NF x 1-7/8 type 8

2шт.

18602R1

NUT,3/8"-24, GC

3/8-NF pln P/T lock type 8

2шт.

25

406916R2

PLATE ASSY, link mounting

1шт.

NLS

NO LONGER SERVICED

7шт.

26

406923R1

BRACE, rear frame shield LH, 154 & 185 lo-boy tractors

1шт.

88574

BOLT,Hex, 5/16" - 18 x 1/2", Gr 5, Full Thd

1шт.

179837

BOLT,Hex, 3/8" - 16 x 3/4", Gr 5

1шт.

102635

NUT,3/8"-16, G5

1шт.

26

117282C1

BRACE, rear frame shield LH, 184 tractor

1шт.

88542

BOLT,Hex, 1/4"-20 x 1/2", Gr 5

1/4 x 1/2 type 5

1шт.

120375

NUT,Hex, 1/4" - 20, Gr 5

2шт.

86505867

BOLT,Hex, 1/4" - 20 x 1", Gr 5

1шт.

120392

WASHER,1/4", SAE

.281 x .625 x .051

2шт.

27

406871R1

ANGLE

SUPPORT ASSY, upper shield

1шт.

179789

BOLT,Hex, 1/4" - 20 x 3/8", Gr 5, Full Thd

2шт.

28

406869R1

SUPPORT ASSY, shield

1шт.

29

527701R1

SPACER, chain anchor

1шт.

22534R1

BOLT, 3/8 x 5 CAD type 5

1шт.

120382

LOCK WASHER,Helical Spring, 3/8"

WASHER, LOCK, 3/8"

1шт.

30

406811R1

BAR ASSY, lower link mtg RH

1шт.

480523R1

HAIR PIN COTTER

quick attachable

2шт.

179883

BOLT,Hex, 1/2" - 13 x 1 1/4", Gr 5

1шт.

103323

LOCK WASHER,1/2"

WASHER, LOCK, 1/2"

1шт.

13-1022

BOLT,Hex, 5/8" - 11 x 1-3/8", Gr 5, Full Thd

5/8 x 1-3/8 pln type 5

2шт.

103325

LOCK WASHER,5/8"

WASHER, LOCK, 5/8"

2шт.

31

406924R1

BRACE, rear frame shield RH, 154 & 185 lo-boy tractors

1шт.

88574

BOLT,Hex, 5/16" - 18 x 1/2", Gr 5, Full Thd

1шт.

31

117282C1

BRACE, rear frame shield RH, 184 tractor

1шт.

88542

BOLT,Hex, 1/4"-20 x 1/2", Gr 5

1/4 x 1/2 type 5

1шт.

86505867

BOLT,Hex, 1/4" - 20 x 1", Gr 5

1шт.

120375

NUT,Hex, 1/4" - 20, Gr 5

2шт.

32

547410R1

CLAMP, hydraulic hose

1шт.

18404R1

CARRIAGE BOLT,Short Sq Nk, 1/4" - 20 x 5/8", Gr 2

BOLT, 1/4 x 5/8 crg type 1

1шт.

20244R1

LOCK NUT,1/4"-20

NUT, 1/4 P/T lock type 5

1шт.

16559R1

WASHER,1/4"

.266 x .625 x .036

1шт.

33

370799R2

DRAWBAR

1шт.

34

523174R1

PIN

drawbar lockout

1шт.

35

520175R1

CLIP

PIN, quick attachable cot.

1шт.

36

372962R91

PARTS ACCESSORY, cross drawbar

1шт.

37

529574R1

END, repair RH

1шт.

38

529572R1

BODY, pipe

1шт.

21000R1

PIN,3/16" x 1 1/4", Coiled

2шт.

39

529575R1

LOCK, upper link

1шт.

40

529573R1

END, repair LH

1шт.

41

529378R1

LOCK ASSY, hitch

1шт.

42

406877R1

PIN

cylinder pivot

1шт.

43

460047R1

CLIP, SPRING

PIN, quick attachable cot.

1шт.

44

24507R1

HEADED PIN,5/8" x 4"

PIN, 5/8 x 4 std-hd

1шт.

520175R1

CLIP

PIN, quick attachable cot.

1шт.

45

529380R1

SPACER

hitch lock

1шт.

46

547411R1

SUPPORT, hose clamp

1шт.

102635

NUT,3/8"-16, G5

2шт.

NLS

NO LONGER SERVICED

2шт.

47

109461

LUBE NIPPLE,1/8"-27 x .66 lg

NIPPLE, LUBE, , PTF 1/8"-27 x .66 lg

6шт.

Выбрано товаров: 103