Запчасти Case IH 715667046 (006) - DECK

Схема запчастей Case IH 715667046 - (006) - DECK
4
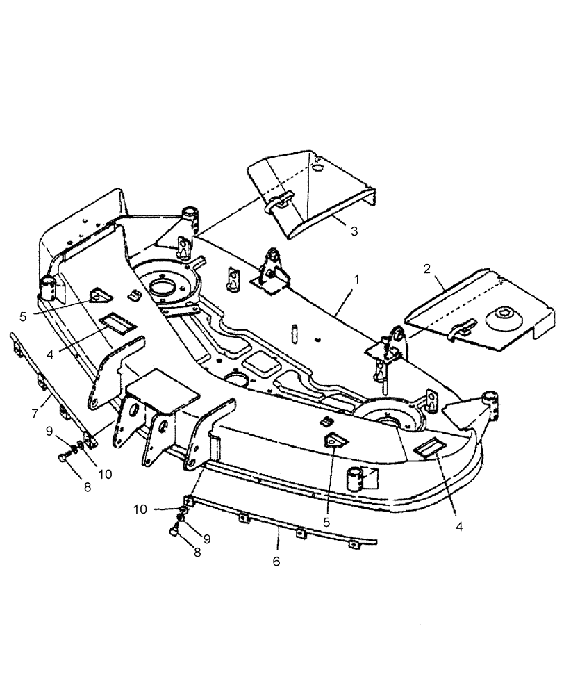
9
9
8
8
7
3
10
6
10
5
1
2
4
5
FIT
1:1
100%

Артикул

Название

Примечание

Количество

1

SBA638103120

MOWER DECK

MWX154

1шт.

1

SBA638103130

MOWER DECK

MWX160

1шт.

2

SBA638112190

COVER

Cover, LH, MWX154S

1шт.

2

SBA638112210

COVER

Cover, LH, MWX160S

1шт.

3

SBA638112200

COVER

Cover, RH, MWX154S

1шт.

3

SBA638112220

COVER

Cover, RH, MWX160S

1шт.

4

SBA690360031

DECAL

2шт.

5

SBA690360011

DECAL

Keep Hands & Feet Away

2шт.

6

SBA638300390

BAR

Front, LH, MWX154S

1шт.

6

SBA638300410

BAR

Front, LH, MWX160S

1шт.

7

SBA638300400

BAR

Front, RH, MWX154S

1шт.

7

SBA638300420

BAR

Front, RH, MWX160S

1шт.

8

86050276

BOLT,Hex, M5 x 16mm, Cl 8.8, Full Thd

8шт.

9

86509828

LOCK WASHER,M5

8шт.

10

9824326

WASHER,5.3mm ID x 10mm OD x 1mm Thk

8шт.

11

SBA690210380

DECAL

Decal, MWX154S

1шт.

Not Illustrated

1шт.

11

SBA690210390

DECAL

Decal, MWX160S

1шт.

Not Illustrated

1шт.

12

SBA690210420

DECAL

Decal, CASE IH

1шт.

Not Illustrated

1шт.

Выбрано товаров: 21