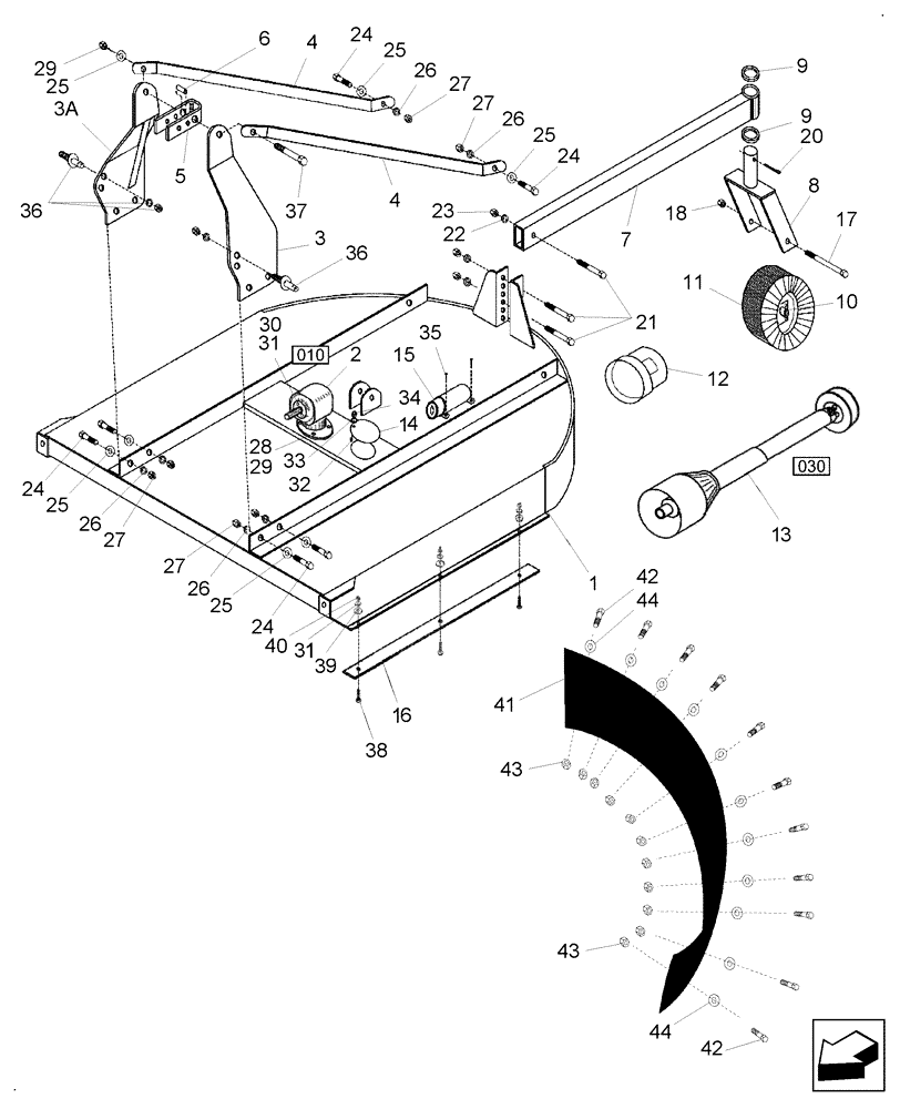
Запчасти Case IH 717721406 (001) - MAIN ASSEMBLY

Схема запчастей Case IH 717721406 - (001) - MAIN ASSEMBLY
15
21
44
38
13
26
16
18
43
36
24
030
010
44
25
27
39
10
7
26
1
25
3
27
14
28
42
20
33
36
34
3a
22
8
9
12
29
17
26
25
6
41
24
30
24
31
27
23
25
32
9
4
4
29
40
26
24
42
25
31
27
5
43
37
35
11
2
FIT
1:1
100%

Артикул

Название

Примечание

Количество

1

CSE101D3613

HOUSING

Deck, RC727

1шт.

1

CSE101D3639

HOUSING

Deck, RC845

1шт.

2

CSE401D0170

GEARBOX

1шт.

3

MAG105D1045DL

FRAME

Left

1шт.

3a

MAG105D1045DR

FRAME

Right

1шт.

4

MAG116D1025

ARM

Stiff

2шт.

5

MAG115D7134

U-BRACKET

Pivot Hitch

1шт.

6

MAG115D7135

SPACER

Pivot Hitch

1шт.

7

MAG101D7127

ARM

Tailwheel Boom

1шт.

8

MAG116D6487D01

FORK

Tailwheel

1шт.

9

MAG101D7552

SPACER

Tailwheel Yoke

2шт.

10

MAG900D1444A

HUB

Tailwheel

1шт.

11

MAG103D209

WHEEL

Laminated 4x8

1шт.

12

MAG415D0007

SHIELD

Gearbox

1шт.

13

MAG401D0312D03

PTO

Complete, RC727

1шт.

13

MAG401D0317D01

PTO

Complete, RC845

1шт.

14

MAG116D1655

COVER PLATE

Inspection

1шт.

15

MAG412D9099

RIGID TUBE

Owner Manual Holder

1шт.

16

MAG108D6006

SKID/SHOE

Bolt On, RC727

2шт.

16

MAG108D6065

SKID/SHOE

Bolt On, RC845

2шт.

17

MAG412D5283

BOLT

5/8" x 7 1/2" Gr5

1шт.

18

MAG412D5284

LOCK NUT

5/8"

1шт.

19

MAG512D0650

SCREW

1/2" x 1" Gr 5 Fine

4шт.

20

MAG412D0081

COTTER PIN

3/8" x 3 1/2"

1шт.

21

MAG412D11320

BOLT

5/8" x 4" Gr 5

3шт.

22

MAG412D0073

LOCK WASHER

3шт.

23

MAG412D0059

NUT

5/8"

3шт.

24

PL

PROCURE LOCALLY

Bolt, 3/4" x 2" Gr5

6шт.

25

MAG412D0077

WASHER

3/4"

7шт.

26

MAG412D0074

LOCK WASHER

3/4"

6шт.

27

MAG412D0061

NUT

Hex, 3/4"

6шт.

28

MAG412D0031

BOLT

3/4" x 2 1/2" Gr 5

4шт.

29

MAG412D0060

LOCK NUT

3/4"

5шт.

30

MAG412D2003

BOLT

5/16" x 1 1/2" Gr 5

4шт.

31

MAG412D0075

WASHER

3/8"

8шт.

32

MAG512D6769

CARRIAGE BOLT

1/2" x 1 1/2" Gr 5

1шт.

33

MAG412D0072

LOCK WASHER

1/2"

1шт.

34

MAG412D0058

NUT

Hex, 1/2"

1шт.

35

PL

PROCURE LOCALLY

Elf Tap Screw, 1/4" x 3/4"

2шт.

36

MAG150D10

PIN

Shoulder, 7/8" x 5 1/2" Cat 1

2шт.

37

PL

PROCURE LOCALLY

3/4" x 6 GR 2

1шт.

38

MAG412D03229

PLOW BOLT

3/8" x 1 1/2" Gr 5

6шт.

39

MAG412D0072D01

WASHER

Flat, 1/2"

6шт.

40

MAG412D0657

NUT

Hex

6шт.

41

MAG104D1907

GUARD

Rear Rubber Safety

1шт.

42

MAG412D7250

BOLT

1/2" x 1"

11шт.

43

MAG412D0058

NUT

Hex, 1/2"

11шт.

44

MAG412D0072D01

WASHER

Flat, 1/2"

11шт.

Выбрано товаров: 48